EasyManua.ls Logo

YASKAWA MP920 - MSG-SND and MSG-RCV Functions (MEMOBUS Master)

YASKAWA MP920
336 pages
Print Icon
To Next Page IconTo Next Page
To Next Page IconTo Next Page
To Previous Page IconTo Previous Page
To Previous Page IconTo Previous Page
Loading...
8.6 Modem-to-Modem Connection
8-37
8
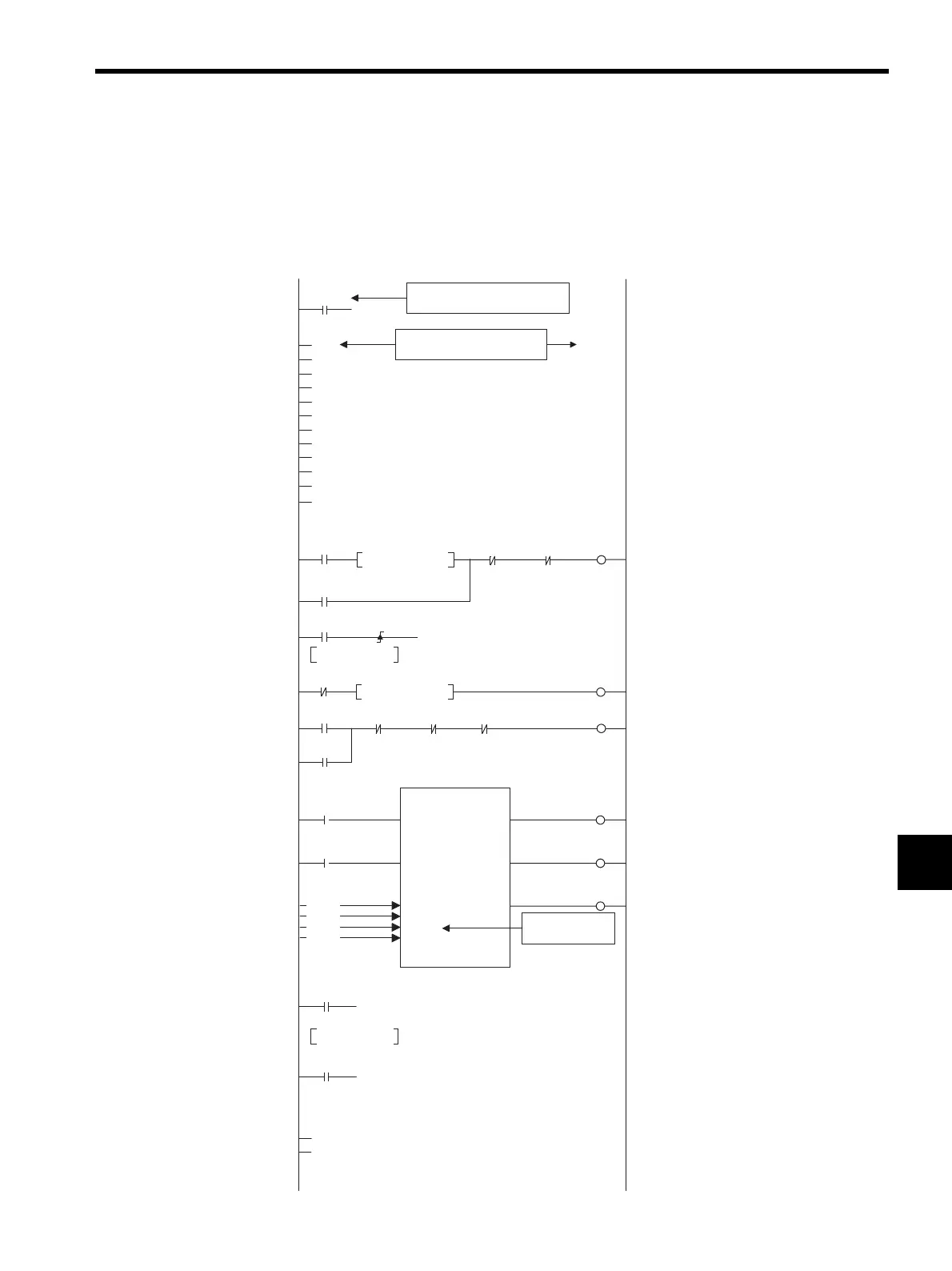
8.6.5 MSG-SND and MSG-RCV Functions (MEMOBUS Master)
MSG-SND Function (MEMOBUS Master)
The following diagram shows a MEMOBUS Master MSG-SND ladder logic program for
the 217IF Module of the MP920.
Send start
DB000200
Command
DB000201
Executing
DB000210
Stop
command
DB000202
Command
DB000201
003.00 DW00022
T
Command
DB000201
Normal completion
Abnormal completion
Normal counter
Error counter
Executing
DB000210
Normal completion
DB000211
Abnormal completion
DB000212
MSG-SND
EXECUTE BUSY
ABORT COMPLETE
DEV-TYP ERROR
PRO-TYP
CIR-NO
CH-NO
PARAM
DA00000
00005
00001
00002
00001
Stop
DB000202
DB000211
DB000212
IFON
IEND
DEND
INC DW00024
DW00000
DW00026
DW00027
DW00001
SB000003
IFON
00000
00100
00001
00000
DW00005
DW00006
DW00007
DW00008
DW00009
DW00010
DW00011
DW00012
DW00024
IEND
00000
00000
00000
00000
Stop
command
DB000202
Normal
completion
DB000211
Abnormal
completion
DB000212
00001 DW00002
00003
Stop
command
DB000202
Stop
counter
DB00021B
Send cycle
timer
INC DW00023
DB000200
Send start
DB000200
001.00 DW00030
T
The circuit number
changes according to
the system configuration.
INC
DW00025
DW00004
DW00025
Stop
command
DB000202
One scan at startup
At startup, set the parameters in the first scan.
Low-speed scan (DWG L): SB000003
High-speed scan (DWG H): SB000001
Device address set in the Slave
Transmission Parameters Window
Send busy
monitoring timer
Normal
completion
DB000211
Abnormal
completion
DB000212
Remote station number setting
Connection code setting (readout)
Data address setting (address 0)
Data size setting (100 words)
Remote CPU No. setting
Coil offset setting
Input relay offset setting
Input register offset setting
Holding register offset setting
System register clear
Normal pulse counter clear
Error counter clear
Force stop if still not completed 3 seconds
after the Send command is issued.
Stop counter added when the Stop
command is issued.
Send started at 1-second intervals.
Sends a message to a remote station.
The execuiting coil turns ON when the CPU
receives the command.
The normal completion or abnormal completion
coil turns ON at processing completion.
Turns ON at receive completion of a query message and at
send completion of a response message.
Normal pulse counter added
Ended by a transmission error
Error pulse conter added
Processing result stored
Status stored
Use PRO-TYP 1 (MEMOBUS communications).
CIR-NO (circuit number) 2 (depending on the connection port)
CH-NO (channel number) 1 (fixed at 1 with the 217IF Module)
Function Send instruction

Table of Contents

Related product manuals