EasyManua.ls Logo

Zonge GDP-32 - Transmitter Setup with Current Reference

Default Icon
419 pages
Print Icon
To Next Page IconTo Next Page
To Next Page IconTo Next Page
To Previous Page IconTo Previous Page
To Previous Page IconTo Previous Page
Loading...
COMPLEX RESISTIVITY & HACSAMT PROGRAM
Section 10, Page 29 January 2003
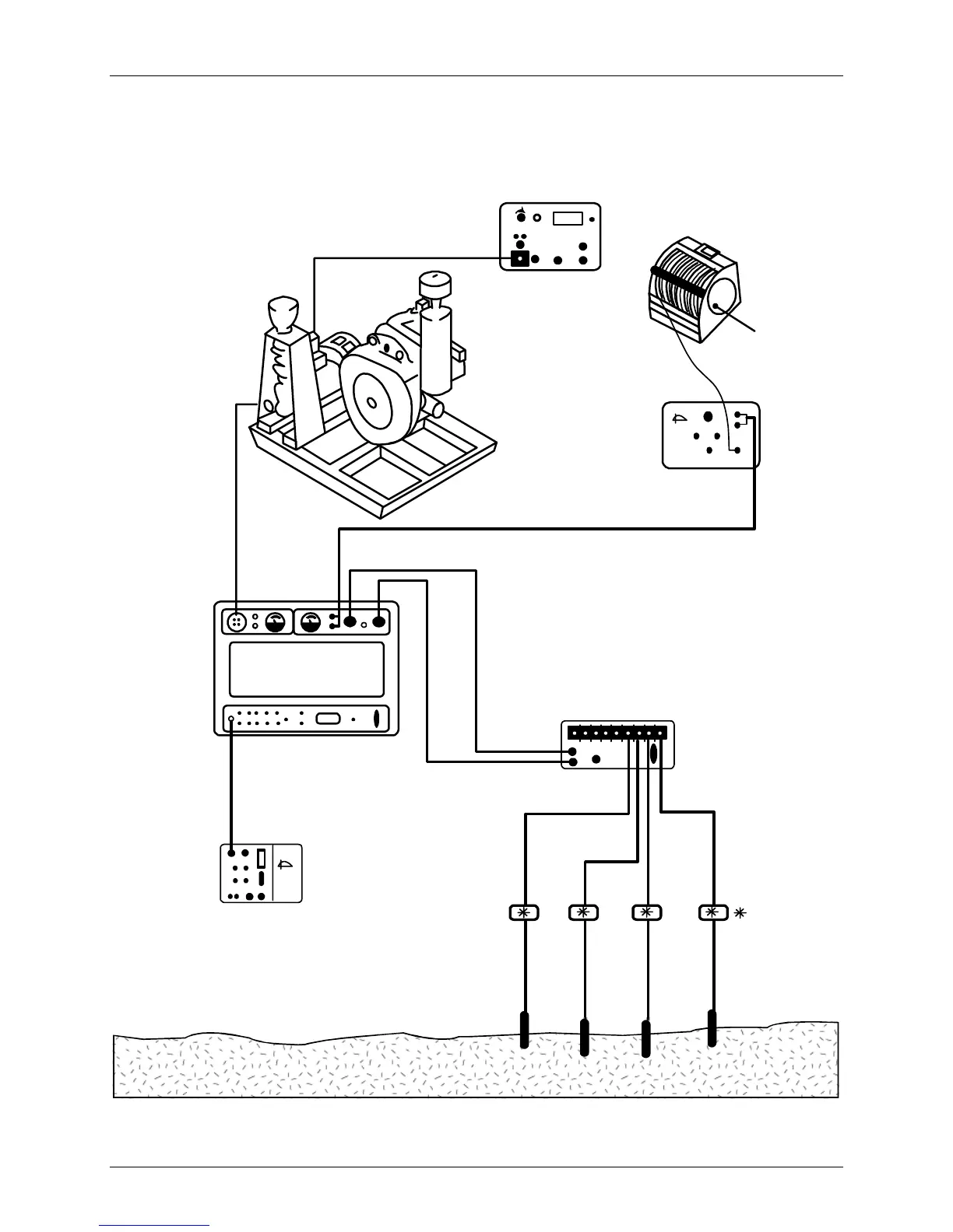
TRANSMITTER SETUP WITH CURRENT REFERENCE
Voltage
Regulator
VR-I
VR-CN/6 Cable
Transmitter
GGT-30
XMT-32-CN/6 Cable
Aluminum foil or
stake electrodes
Wire from
BRI2W or
PR/IW with
PW/I
ETS-9/40
Switch Box
ETS-IN/40
ISO/I-IN
Motor
Generator
ZMG-30
Iso Amp
ISO/I
Breast Reel
BRW2IC
To GDP-32
ISO / I - IN / 3
Cable
XMT-32 Transmitter
Controller

Table of Contents

Other manuals for Zonge GDP-32

Related product manuals