EasyManua.ls Logo

Zonge GDP-32 - Alternate Laboratory Rock Measurement Setup

Default Icon
419 pages
Print Icon
To Next Page IconTo Next Page
To Next Page IconTo Next Page
To Previous Page IconTo Previous Page
To Previous Page IconTo Previous Page
Loading...
COMPLEX RESISTIVITY & HACSAMT PROGRAM
Section 10, Page 33 January 2003
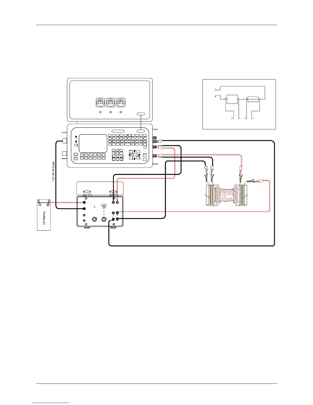
ALTERNATE LABORATORY ROCK MEASUREMENT SETUP
ALTERNATE LABORATORY ROCK MEASUREMENT SETUP
Transmitter I/O
LDT-PW Cable
Common
Channel 2
Channel 1
OUTER INNER INNER OUTER
CuSO4
Solution
CuSO4
Solution
Rock Electrodes LAB/2
Rock Sample
Basic Circuit
Lab Tx
Rock
Channel 2
Channel 1
GDP
Current monitor shunt values:
.001 - .01 mA 100K ohm
.01 - .1 mA 10K ohm
.1 - 1 mA 1K ohm
1 - 10 mA 100 ohm
LDT-10
current
monitor
LAB DOWNHOLE TRANSMITTERLDT-10
EXT. POWER
SATURATION
INPUT
TIME
FREQ
ON
OFF
EXT
OFFSET
RANGE, mA
CURRENT
FINE
CURRENT
MONITOR
SHIELD
OUTPUT
.001 - .01
.01 - .1
.1 - 1
1 - 10

Table of Contents

Other manuals for Zonge GDP-32

Related product manuals