EasyManua.ls Logo

Argo S - Page 106

Argo S
438 pages
Print Icon
To Next Page IconTo Next Page
To Next Page IconTo Next Page
To Previous Page IconTo Previous Page
To Previous Page IconTo Previous Page
Loading...
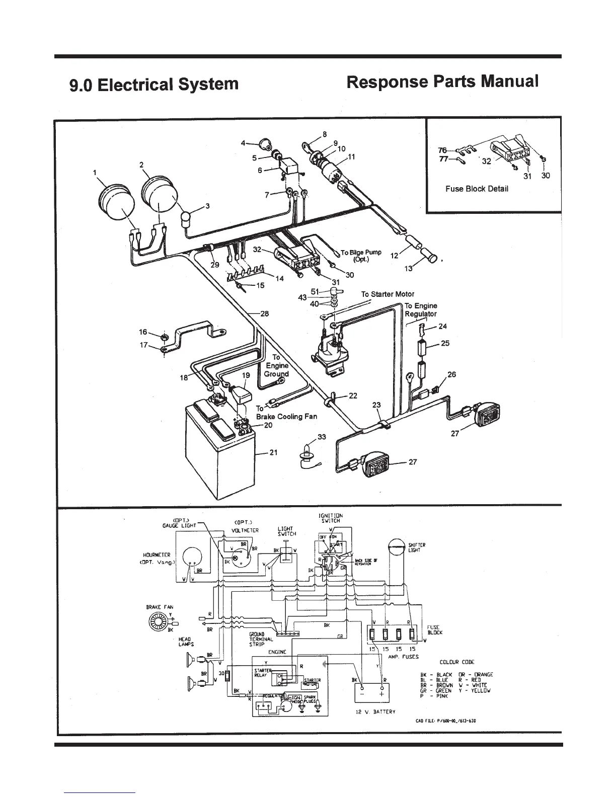
Electrical System Argo Service Manual
Ontario Drive & Gear Limited www.odg.com
PH.(519)- 662-2840 FAX (519)- 662-2421
ES-36
Response Model V899-65 From RB 17665 12/00

Table of Contents

Related product manuals