EasyManua.ls Logo

Argo S - Page 114

Argo S
438 pages
Print Icon
To Next Page IconTo Next Page
To Next Page IconTo Next Page
To Previous Page IconTo Previous Page
To Previous Page IconTo Previous Page
Loading...
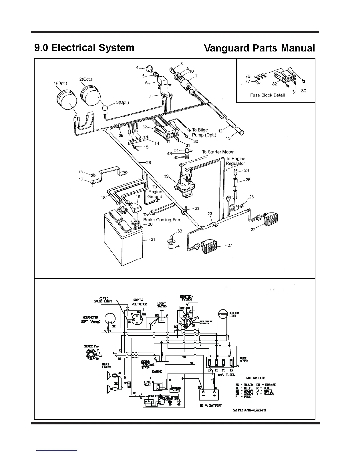
Electrical System Argo Service Manual
Ontario Drive & Gear Limited www.odg.com
PH.(519)- 662-2840 FAX (519)- 662-2421
ES-44
Argo Vanguard Parts Manual Model V699-51 From S12222 03/02

Table of Contents

Related product manuals