EasyManua.ls Logo

Argo S - Page 120

Argo S
438 pages
Print Icon
To Next Page IconTo Next Page
To Next Page IconTo Next Page
To Previous Page IconTo Previous Page
To Previous Page IconTo Previous Page
Loading...
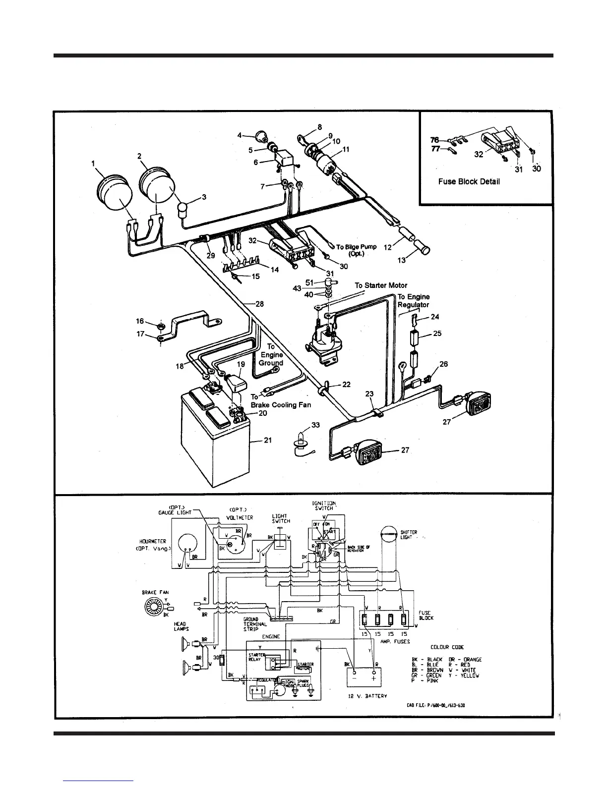
Electrical System Argo Service Manual
Ontario Drive & Gear Limited www.odg.com
PH.(519)- 662-2840 FAX (519)- 662-2421
ES-50
Bigfoot Model V698-58 From BF12097 12/00
Electrical System Bigfoot Parts Manual

Table of Contents

Related product manuals