EasyManua.ls Logo

Ceia THS/21 - Page 97

Ceia THS/21
210 pages
Print Icon
To Next Page IconTo Next Page
To Next Page IconTo Next Page
To Previous Page IconTo Previous Page
To Previous Page IconTo Previous Page
Loading...
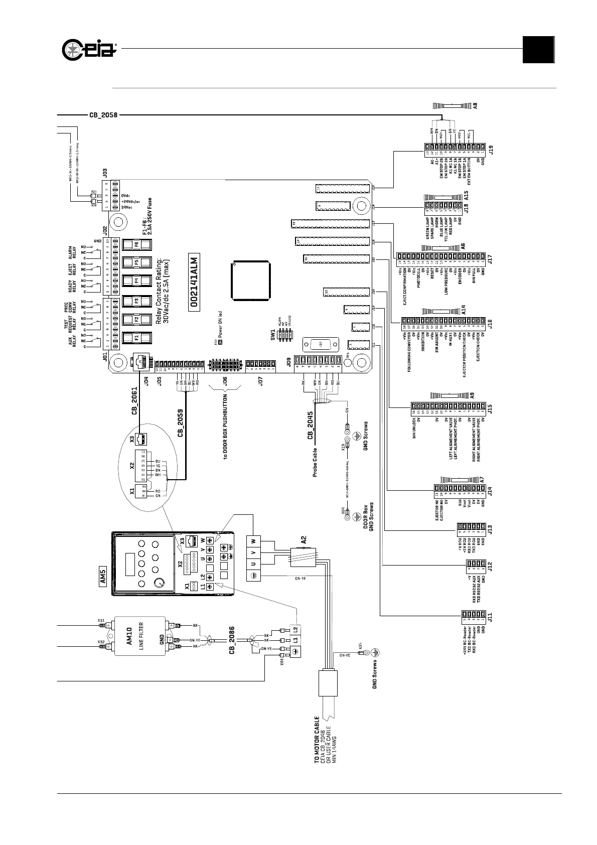
FI002K0018v1530hUK – THS/21 Instruction manual for installation, use and maintenance
3
INSTALLATION
ORIGINAL INSTRUCTION 97

Table of Contents

Other manuals for Ceia THS/21

Related product manuals