EasyManua.ls Logo

Cessna 182 1978 - Page 236

Cessna 182 1978
680 pages
Print Icon
To Next Page IconTo Next Page
To Next Page IconTo Next Page
To Previous Page IconTo Previous Page
To Previous Page IconTo Previous Page
Loading...
MODEL
182
&
T182
SERIES SERVICE
MANUAL
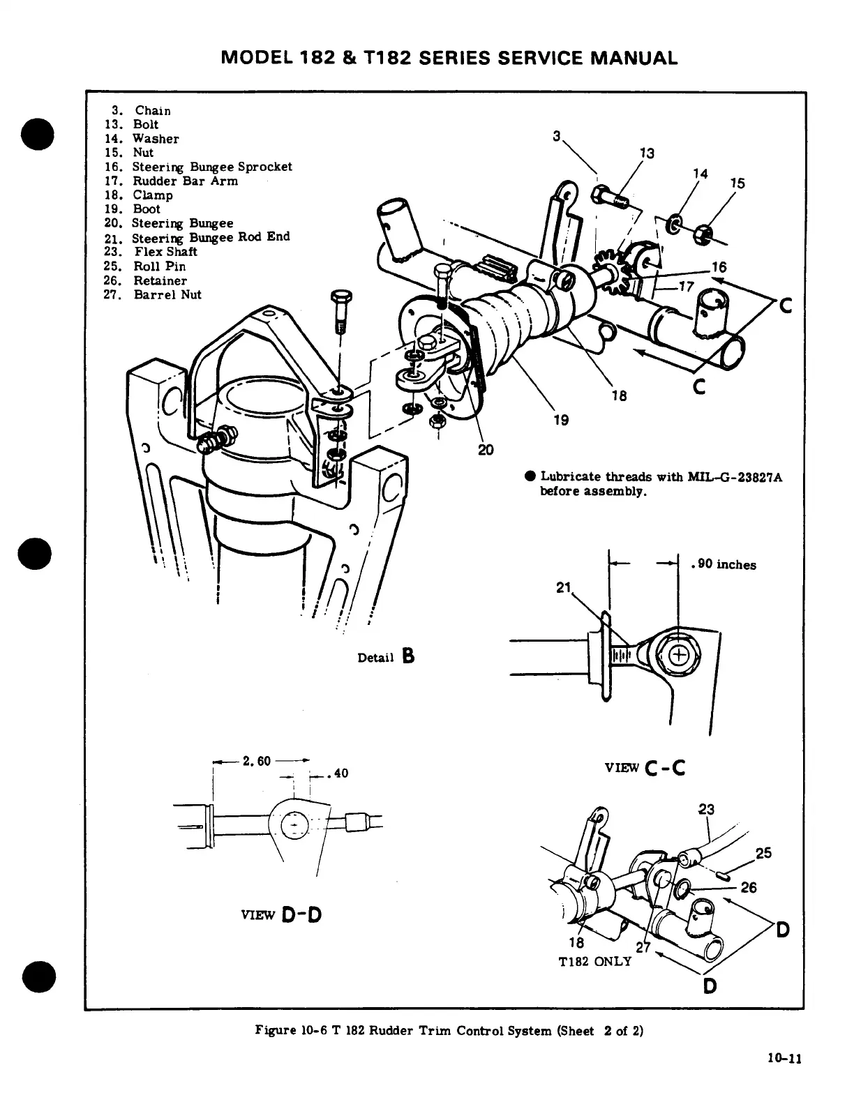
3.
Chain
13.
Bolt
14.
Washer
3
15.
Nut
13
16.
Steering
Bungee
Sprocket
14
17.
Rudder
Bar
Arm
15
18.
Clamp
19.
Boot
20.
Steering
Bungee
21.
Steering
Bungee
Rod
End
23.
Flex
Shaft
25.
Roll
Pin
16
26.
Retainer
27.
Barrel
Nut
20
Lubricate
threads
with MIL-G-23827A
before
assembly.
*l\\
\,
/
i
/
l
', \ iI\\ '.,( I
-
~1*
.'90
inches
'
i
i
~
21
Detail
B
-
2.60-
VIEW
C-C
_
__-.
40
VIEW
D-D
T182
ONLY
/
D
Figure
10-6
T
182
Rudder
Trim
Control
System
(Sheet
2
of
2)
10-11

Table of Contents

Related product manuals