EasyManua.ls Logo

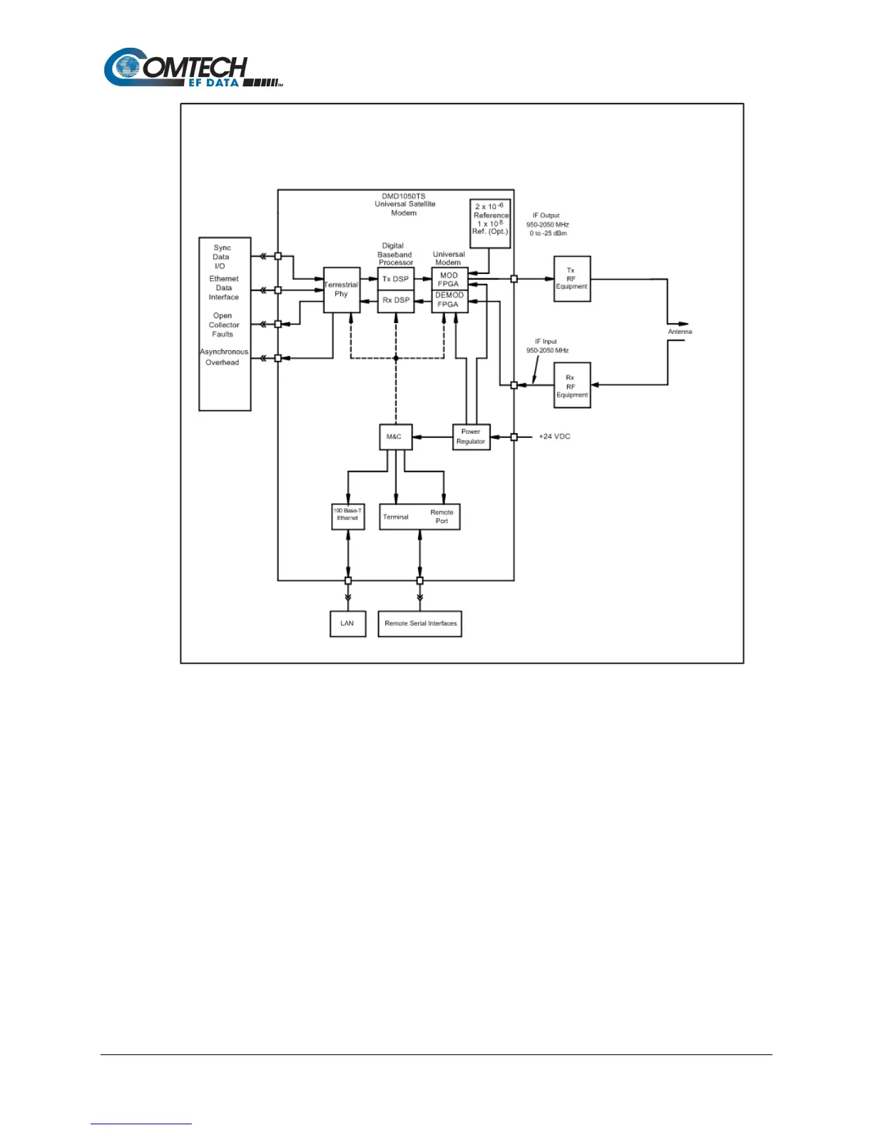
Comtech EF Data DMD1050TS - Rx Baseband Processing; Figure 3-5. DMD1050 TS Universal Satellite Modem Functional Block Diagram

Comtech EF Data DMD1050TS
316 pages
Print Icon
To Next Page IconTo Next Page
To Next Page IconTo Next Page
To Previous Page IconTo Previous Page
To Previous Page IconTo Previous Page
Loading...
DMD1050TS Satellite Modem Board
Revision 1
Theory of Operation 3–7 MN-DMD1050TS
Figure 3-5. DMD1050TS Universal Satellite Modem Functional Block Diagram
3.2.3 Rx Baseband Processing
The Receive Processor performs the inverse function of the Transmit Processor. Data received
from the satellite passes through the BB Loopback Circuit to the R-S decoder to the deframer.
The deframer acquires the IBS/IDR/DVB frame, synchronizes the R-S decoder, and extracts the
received data and overhead from the frame structure. It puts the data into the PD buffer, sending
the overhead data to the UIM. The data is extracted from the buffer and is sent to the UIM.
Backward Alarm indications are sent to the M&C Subsystem.

Table of Contents

Related product manuals