EasyManua.ls Logo

Comtech EF Data DMD1050TS - DMD1050 TS Clocking Options; Tx Clock Options; Figure 3-10. Clocking and Polarity Diagram

Comtech EF Data DMD1050TS
316 pages
Print Icon
To Next Page IconTo Next Page
To Next Page IconTo Next Page
To Previous Page IconTo Previous Page
To Previous Page IconTo Previous Page
Loading...
DMD1050TS Satellite Modem Board
Revision 1
Theory of Operation 3–20 MN-DMD1050TS
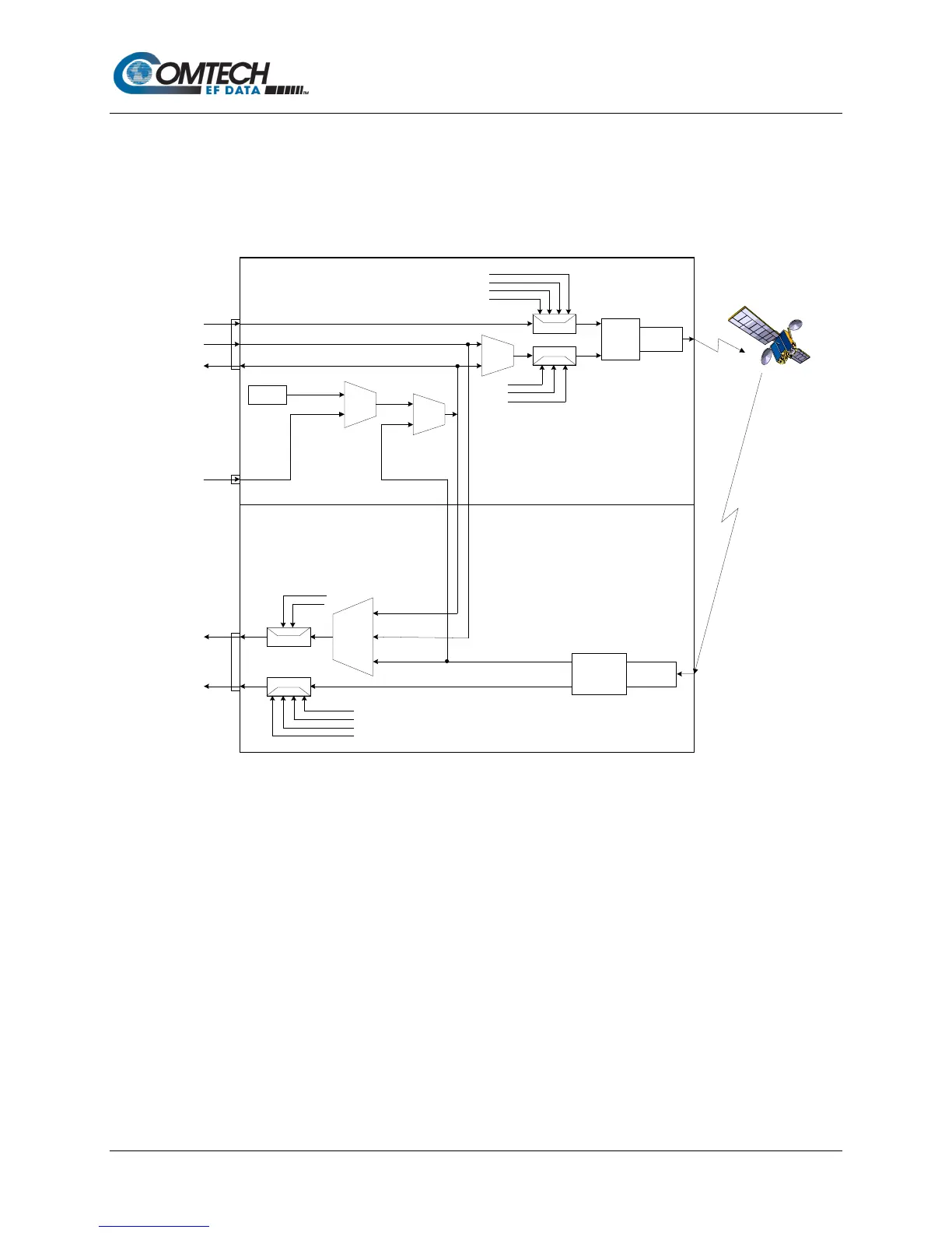
3.10 DMD1050TS Clocking Options
The DMD1050TS supports several clocking options that can be recovered from the satellite or the
terrestrial links. The clocking options allow you to decide which clock best fits the application.
Figure 3-10 shows a diagram on how the modem processes the clocks for the Tx Clock source
and the Rx Buffer Clock source. Tx and Rx Clocks can be locked independently.
Figure 3-10. Clocking and Polarity Diagram
3.10.1 Tx Clock Options
Tx clock options can be recovered from the terrestrial or satellite interface, or generated
internally. You can select the SCTE Clock (Terrestrial), or the SCT internal clock. The modem
also allows you to recover the SCT Clock from the satellite (Serial Clock Receive (SCR)), or from
the modem internally. The modem allows you to select clock polarity. The Tx clock selections
available are:
SCT (Internal Oscillator)
SCTE (External Tx Terrestrial Clock)
Rx Satellite Clock
SD
TT
Tx CLK
SRC
High Stability
Oscillator
ST
CLOCK &
DATA
EXT REF
EXTERNAL
INTERNAL
SCT CLK
SRC
REF FREQ
SRC
SCT
SCTE
TRANSMIT
RECEIVE
CLOCK & DATA
RECOVERY
SCT
SCTE
RX SAT
RT
RD
SCR
BUFFER CLK
SRC
MODULATION
HIGH STABILITY
DEMODULATION
CLK POL
DATA POLARITY
NORMAL
INVERTED
AUTO
INV. TERR&BASE
INVERT NONE
INV. BASEBAND
INV. TERR DATA
DATA POLARITY
BUFFER CLK POL
NORMAL
INVERTED
INV. TERR&BASE
INVERT NONE
INV. BASEBAND
INV. TERR DATA

Table of Contents

Related product manuals