EasyManua.ls Logo

CTM 360y - Dancer Arm Adjustment; Rewind Slip Clutch; Adjusting Slip Clutch

CTM 360y
102 pages
Print Icon
To Next Page IconTo Next Page
To Next Page IconTo Next Page
To Previous Page IconTo Previous Page
To Previous Page IconTo Previous Page
Loading...
Maintenance Manual: Standard 360a Model Y (360y) Label Applicator
7
Preventative Maintenance
03/2023
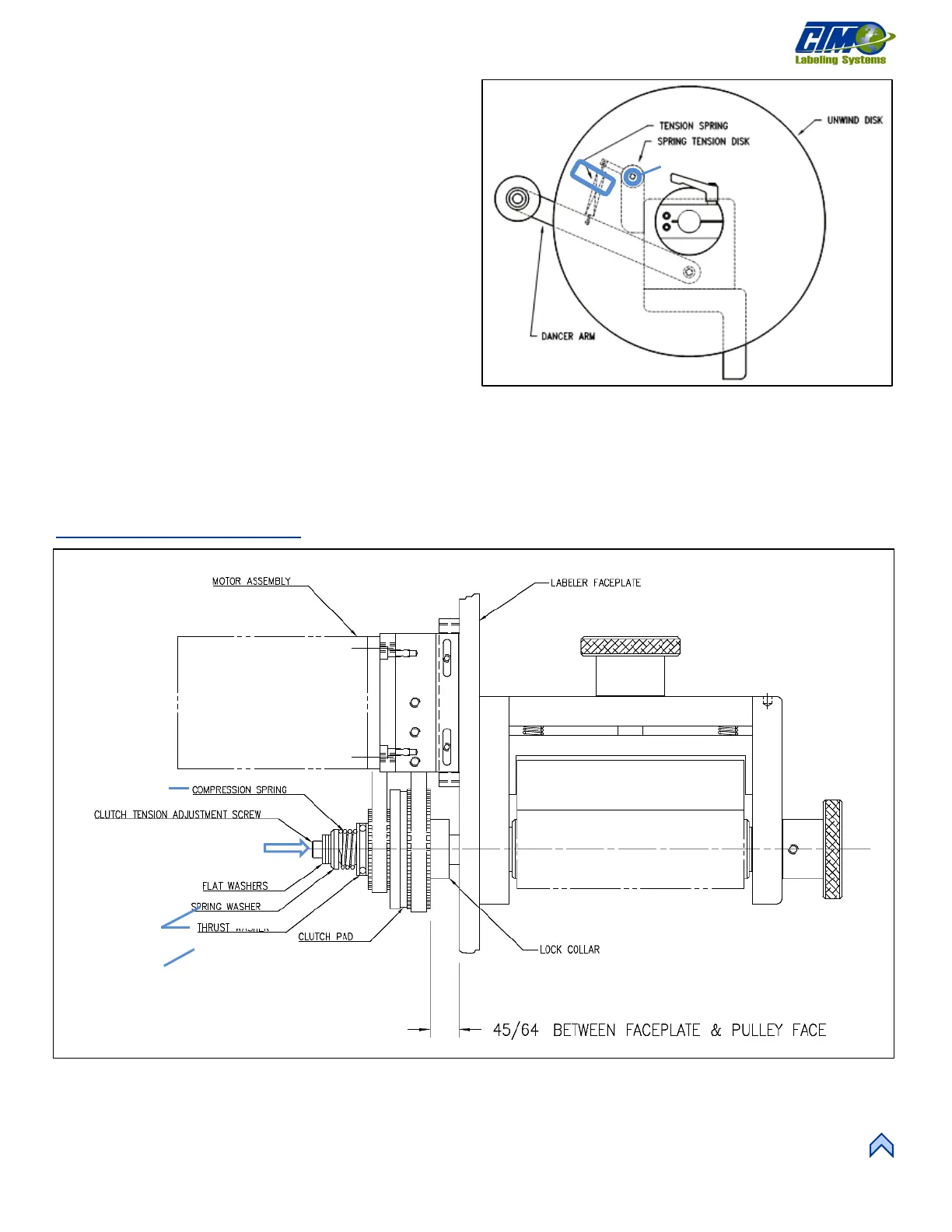
Dancer Arm Adjustment
The dancer arm maintains tension on the label liner and operates
the brake on the unwind mandrel when labels are dispensed. The
spring holding the dancer arm should be adjusted so that there is
enough braking force to keep the unwind mandrel from
continuing to roll after a label feed, but still releases the unwind
mandrel when the applicator is cycled.
1. Loosen the screw going to the spring tension disk [15A].
2. Rotate the disk to set the proper spring tension [15B].
3. Re-tighten screw.
Rewind Slip Clutch
Tension adjustments may be needed on the rewind if the liner is
being wound too loose or tight. The following conditions warrant
this adjustment:
Change in label width or length.
Applicator attitude.
Web speed changes.
Motor acceleration or deceleration value changes.
Adjusting Slip Clutch
[16] Dancer Arm Adjustment.
A
B
[17] Slip Clutch
BEARING
A
B
B
C

Table of Contents

Related product manuals