EasyManua.ls Logo

Delta MH300 Series

Delta MH300 Series
1030 pages
To Next Page IconTo Next Page
To Next Page IconTo Next Page
To Previous Page IconTo Previous Page
To Previous Page IconTo Previous Page
Loading...
Chapter 12 Description of Parameter Settings
MH300
12.1-12-11
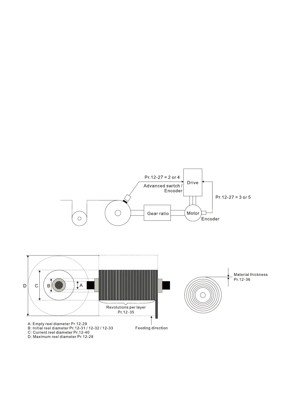
When setting as 1, sets AVI / ACI analog input to be reel diameter (Pr.03-00, Pr.03-01 = d16), 10V
corresponds to the maximum reel diameter (Pr.12-28).
When setting as 2, you can get the reel diameter from the encoder on the reel axle. At the moment,
connects the pulse signals to the PG2 of the PG card (inputs pulse command), sets the encoder
type (Pr.10-00), pulse input type (Pr.10-16), pulse per revolution (Pr.12-34), revolutions per layer
(Pr.12-35), and material thickness (Pr.12-36) to calculate the reel diameter.
When setting as 3, you can get the reel diameter by doing a back calculation of the motor, encoder,
and gear ratio. At the moment, connects the pulse signals to the PG1 of the PG card (pulse
feedback), sets the gear ratio (Pr.12-02, Pr.12-03), encoder type (Pr.10-00), encoder pulses per
revolution (Pr.10-01), revolutions per layer (Pr.12-35), and material thickness (Pr.12-36) to
calculate the reel diameter.
When setting as 2, or 3, the PG card is required.
When setting as 4, or 5, MI6 and MI7 are supported.
When setting as 4, or 5, you have to set Pr.10-16 to 5; if rewind / unwind mode is being changed
during the operation process, you should also have to set Pr.12-01.
Refer to the table below for the related settings when the reel diameter source is calculated via
thickness integral.

Table of Contents

Related product manuals