EasyManua.ls Logo

Gemsy GEM1900A - Page 101

Default Icon
217 pages
Print Icon
To Next Page IconTo Next Page
To Next Page IconTo Next Page
To Previous Page IconTo Previous Page
To Previous Page IconTo Previous Page
Loading...
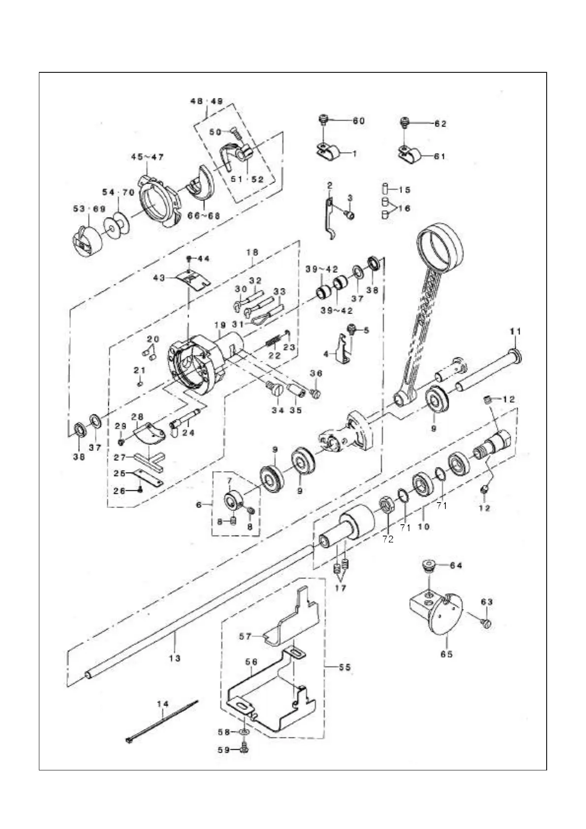
4.下轴部件 Shuttle Driver Shaft Components
91

Table of Contents

Related product manuals