EasyManua.ls Logo

Gemsy GEM1900A - Lk-1900 A零件样本

Default Icon
217 pages
Print Icon
To Next Page IconTo Next Page
To Next Page IconTo Next Page
To Previous Page IconTo Previous Page
To Previous Page IconTo Previous Page
Loading...
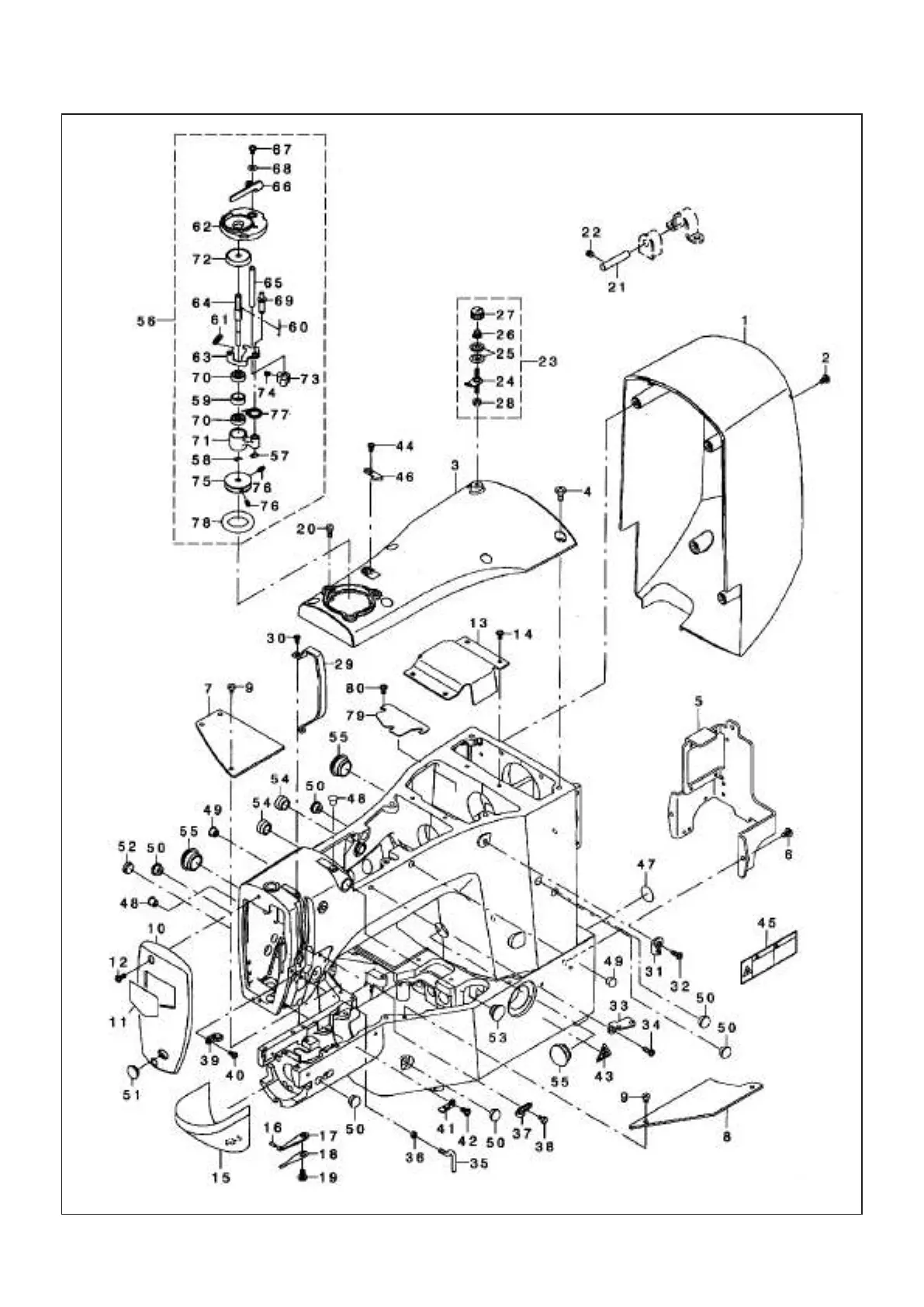
1.头部、外装部件 Frame & Miscellaneous Cover Components
81

Table of Contents

Related product manuals