EasyManua.ls Logo

Gemsy GEM1900A - Sc201(1900 A,1903 A)Control System Diagram

Default Icon
217 pages
Print Icon
To Previous Page IconTo Previous Page
To Previous Page IconTo Previous Page
Loading...
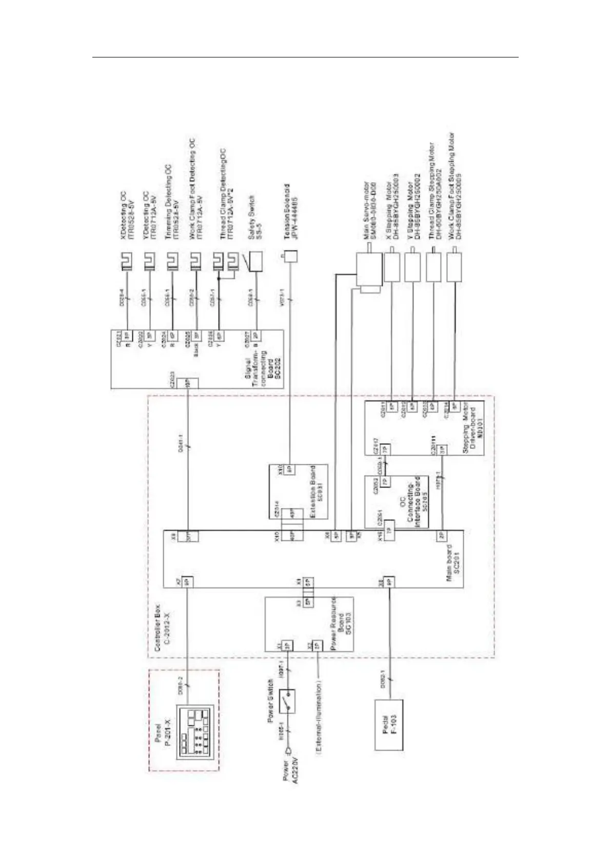
Appendix2 SC201(1900A/1903A)
58
7.4 SC201(1900A,1903A)Control System Diagram

Table of Contents

Related product manuals