EasyManua.ls Logo

JCM iPRO-100-SH2-RC - Operational Flowchart (Continued)

JCM iPRO-100-SH2-RC
146 pages
Print Icon
To Next Page IconTo Next Page
To Next Page IconTo Next Page
To Previous Page IconTo Previous Page
To Previous Page IconTo Previous Page
Loading...
P/N 960-000164R_Rev. 3 {EDP #213631} © 2018, JAPAN CASH MACHINE CO., LTD.
2-22
Section 2 iPRO-RC™ Series Banknote Recycler Installation
Operational Flowchart (Continued)
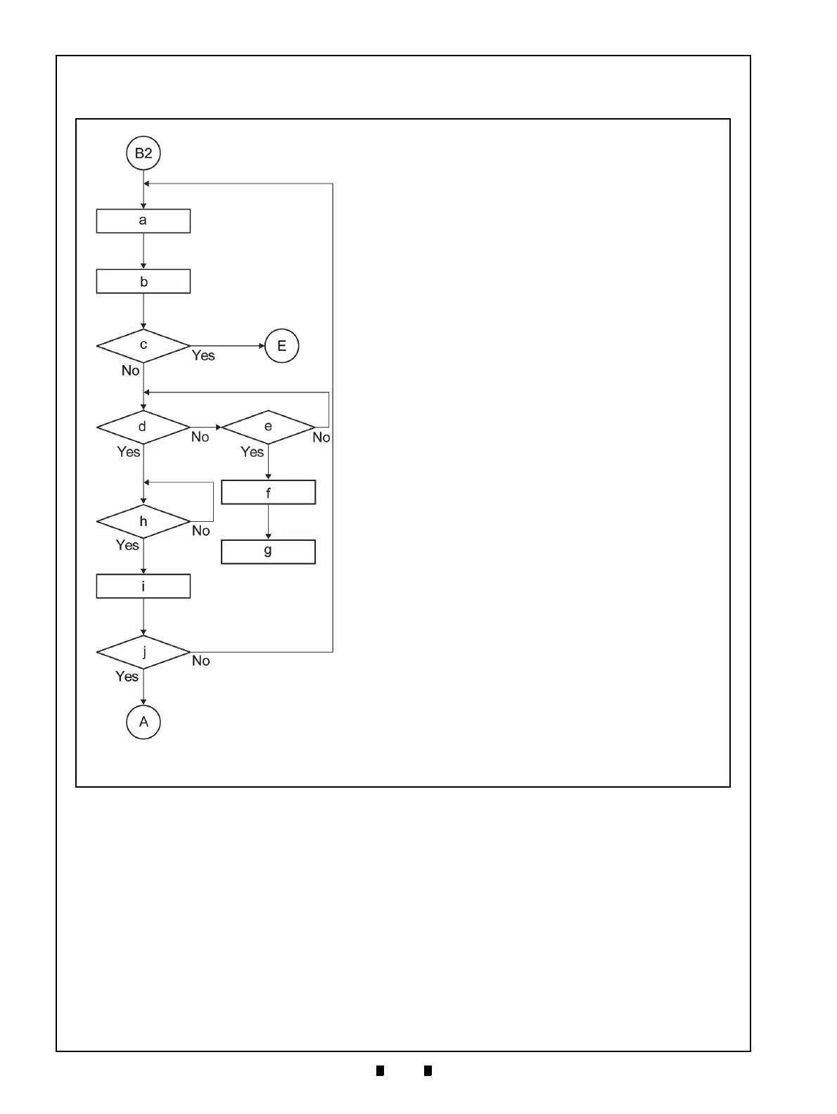
Figure 2-20 depicts a typical iPRO-RC™ Dispensing flow process.
Figure 2-20 iPRO-RC Operational Flowchart
(Dispensing)
Figure 2-20 iPRO-RC Operational Flowchart (Dispensing)
B2) Return from the Figure 2-16 “Primary
Sequence” Flow on page2-18 of this Service
Manual
b) Sampling the Banknote data
c) Abnormal Error occur?
e) Was transportation retried ten (10) times?
f) Stop performance and sending Dispensing VEND
Signal (*5)
h) Is the dispensing Banknote removed?
a) Transporting the Banknote
E) To the Figure 2-21 “Abnormal Error” Flow on
page2-23 of this Service Manual
j) Has the number of required Banknote dispensed?
A) Return to Figure 2-16 “Primary Sequence” Flow
on page2-18 of this Service Manual
d) Is the Banknote transporting to the Insertion Slot?
g) Sending Abnormal Signal
i) Sending Dispensing VEND Signal
*5). The specific Banknote position may be treated as Abnormal, and an “Abnormal Condition Error” state will occur instead of
the normal dispensing “VEND Signal” being sent.

Table of Contents

Related product manuals