EasyManua.ls Logo

LSIS S100 - About the Display

LSIS S100
288 pages
Print Icon
To Next Page IconTo Next Page
To Next Page IconTo Next Page
To Previous Page IconTo Previous Page
To Previous Page IconTo Previous Page
Loading...
39
Learning to Perform Basic Operations
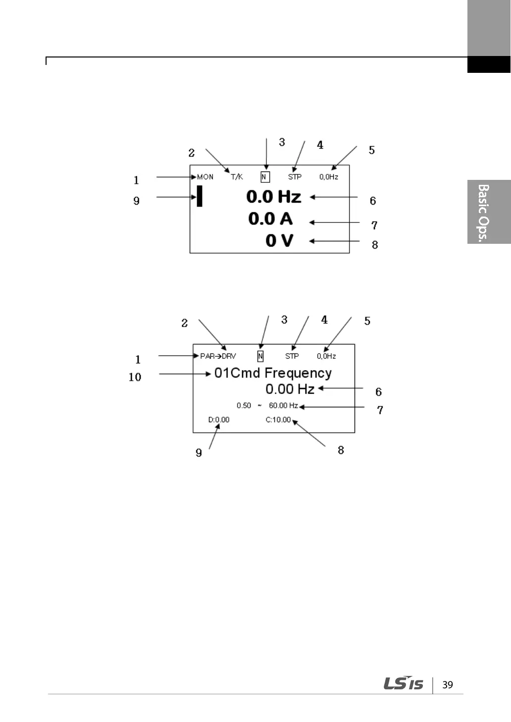
3.1.2 About the Display
Monitor mode display
Parameter settings display

Table of Contents

Other manuals for LSIS S100

Related product manuals