EasyManua.ls Logo

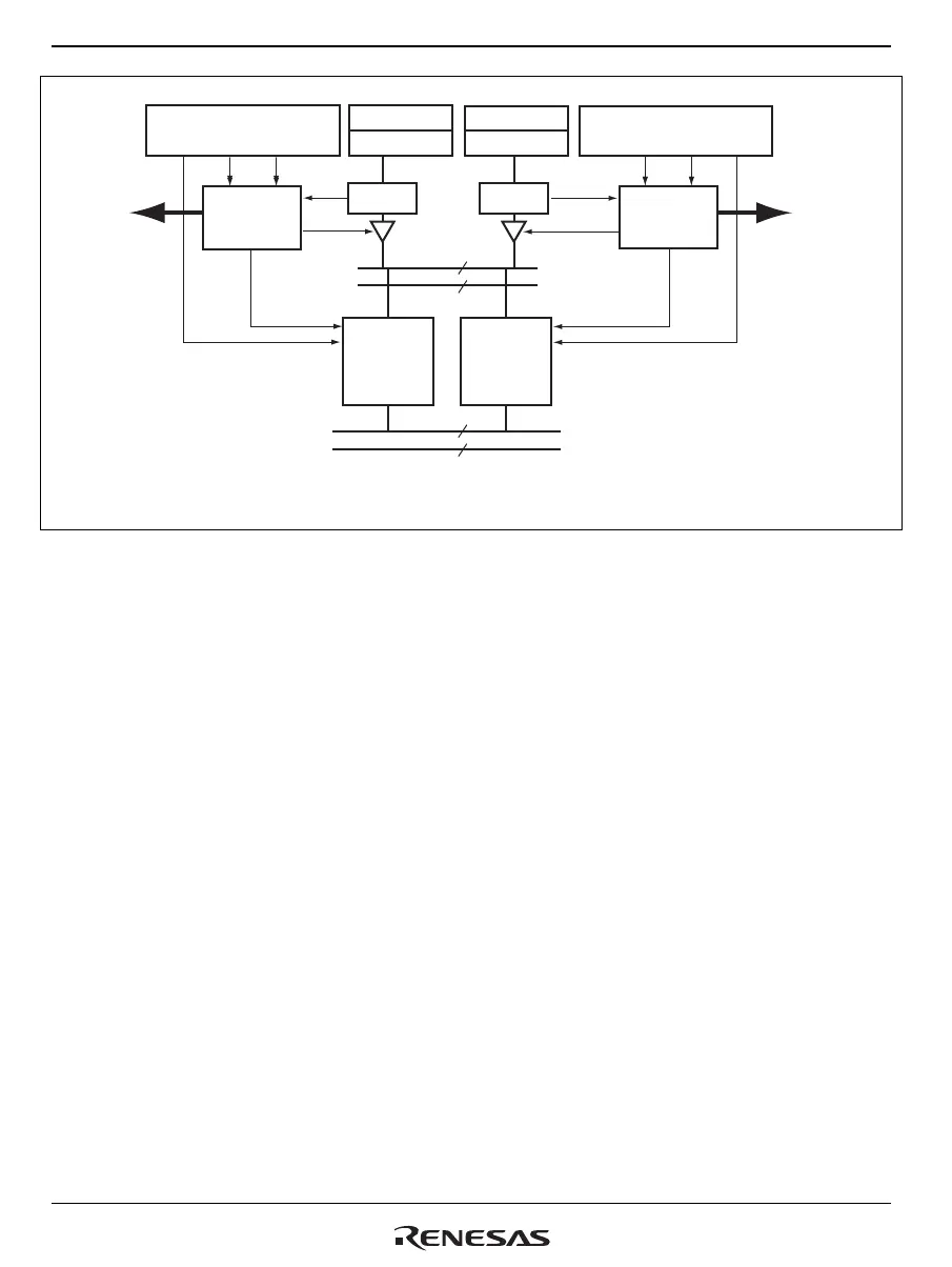
Renesas HD6417641 - Figure 3.22 Load;Store Control for X and y Data-Transfer Instructions

Renesas HD6417641
1036 pages
Print Icon
To Next Page IconTo Next Page
To Next Page IconTo Next Page
To Previous Page IconTo Previous Page
To Previous Page IconTo Previous Page
Loading...
Section 3 DSP Operation
Rev. 4.00 Sep. 14, 2005 Page 140 of 982
REJ09B0023-0400
31
15 1
0
R4 [Ax]
R5 [Ax]
ABx
XAB 16-bit
X_MEM
X R/W
Y_MEM
Y R/W
YAB 16-bit
XDB
YDB
16-bit
16-bit
X data
memory
4 kbytes
31
15 1
0
R6 [Ay]
R7 [Ay]
ABy
Y data
memory
4 kbytes
X_MEM and Y_MEM:
Select X and Y data memory
Instruction code for X
data-transfer operation
Instruction code for Y
data-transfer operation
Control
for X memory
Control
for Y memory
Input/output
control for
DSP data
registers
X0/X1, A0/A1
Input/output
control for
DSP data
registers
Y0/Y1, A0/A1
Figure 3.22 Load/Store Control for X and Y Data-Transfer Instructions
Control for X Memory:
if ( !Nop ) {
X_MEM=1; XAB=ABx;
if ( load operation ) {
Dx[31:16]=XDB;
Dx[15:0]=0x0000; /* Dx is X0 or X1 */
}
else XDB = Dx[31:16]; /* Dx is A0 or A1 */
}
else { X_MEM=0; XAB=0x000; }
The conditional execution based on the DC flag in DSR cannot control any MOVX/MOVY
instructions.

Table of Contents

Related product manuals