EasyManua.ls Logo

Renesas HD6417641 - Figure 12.1 BSC Functional Block Diagram

Renesas HD6417641
1036 pages
Print Icon
To Next Page IconTo Next Page
To Next Page IconTo Next Page
To Previous Page IconTo Previous Page
To Previous Page IconTo Previous Page
Loading...
Section 12 Bus State Controller (BSC)
Rev. 4.00 Sep. 14, 2005 Page 271 of 982
REJ09B0023-0400
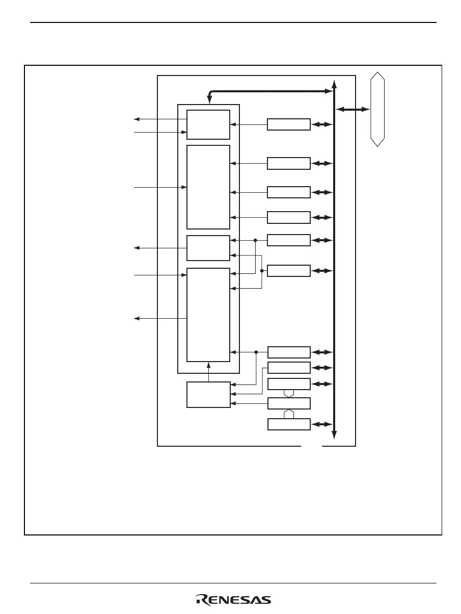
BSC functional block diagram is shown in figure 12.1.
CMNCR
CS0WCR
CS6BWCR
RWTCNT
CS0BCR
CS6BBCR
SDCR
RTCSR
RTCNT
RTCOR
Comparator
Bus
mastership
controller
Wait
controller
Area
controller
Internal bus
Memory
controller
Refresh
controller
[Legend]
Module bus
BSC
CS0, CS2, CS3,
CS4, CS5A, CS5B,
CS6A, CS6B
WAIT
MD3
A25 to A0,
D31 to D0
BACK
BREQ
BS, RD/WR,
RD, WE3 to WE0,
RASU, RASL,
CASU, CASL
CKE, DQMxx, AH,
FRAME
CMNCR:
CSnWCR:
RWTCNT:
CSnBCR:
SDCR:
RTCSR:
RTCNT:
RTCOR:
Common control register
CSn space wait control register (n = 0, 2, 3, 4, 5A, 5B, 6A, 6B)
Reset wait counter
CSn space bus control register (n = 0, 2, 3, 4, 5A, 5B, 6A, 6B)
SDRAM control register
Refresh timer control/status register
Refresh timer counter
Refresh time constant register
. .
.
. . .
. . .
. . .
. .
.
Figure 12.1 BSC Functional Block Diagram

Table of Contents

Related product manuals