EasyManua.ls Logo

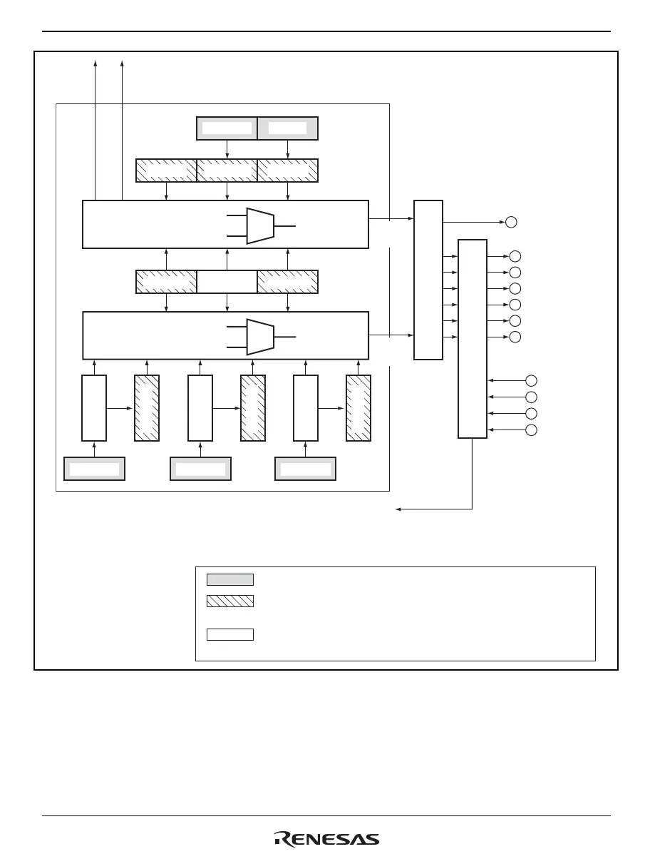
Renesas HD6417641 - Figure 18.32 Block Diagram of Channels 3 and 4 in Complementary PWM Mode

Renesas HD6417641
1036 pages
Print Icon
To Next Page IconTo Next Page
To Next Page IconTo Next Page
To Previous Page IconTo Previous Page
To Previous Page IconTo Previous Page
Loading...
Section 18 Multi-Function Timer Pulse Unit (MTU)
Rev. 4.00 Sep. 14, 2005 Page 593 of 982
REJ09B0023-0400
TGRC_3
TDDR
TCNT_3
TGRD_3 TGRD_4TGRC_4
TGRB_3
Temp 1
TGRA_4
Temp 2
TGRB_4
Temp 3
TCNTS TCNT_4
TGRA_3 TCDR
TCBR
Comparator
Comparator
Match
signal
Match
signal
Output controller
Output protection circuit
PWM cycle
output
PWM output 1
PWM output 2
PWM output 3
PWM output 4
PWM output 5
PWM output 6
POE0
POE1
POE2
POE3
External cutoff
input
External cutoff
interrupt
: Registers that can always be read or written from the CPU
: Registers that cannot be read or written from the CPU
(except for TCNTS, which can only be read)
: Registers that can be read or written from the CPU
(but for which access disabling can be set by port E)
TGRA_3 compare-
match interrupt
TCNT_4 underflow
interrupt
Figure 18.32 Block Diagram of Channels 3 and 4 in Complementary PWM Mode

Table of Contents

Related product manuals