EasyManua.ls Logo

Servotronix CDHD2S - Page 71

Servotronix CDHD2S
268 pages
Print Icon
To Next Page IconTo Next Page
To Next Page IconTo Next Page
To Previous Page IconTo Previous Page
To Previous Page IconTo Previous Page
Loading...
驱动器设置
71
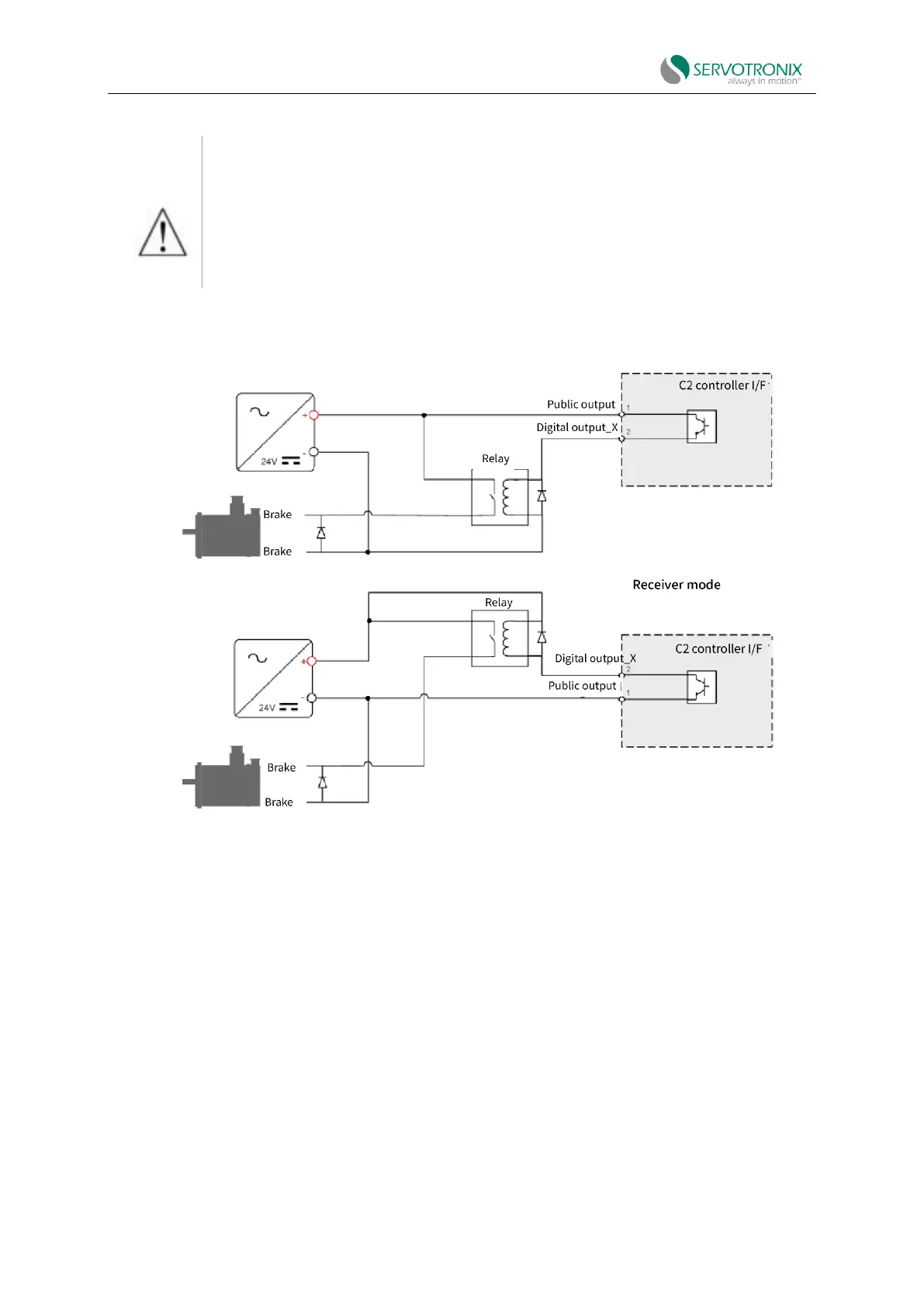
External power supply: 24V
When using inductive loads (such as motor brakes), be sure to install the
freewheeling diode according to the wiring diagram.
When using DC relays to switch inductive loads, such as relay sequence
circuits, motor brakes or DC electromagnets, it is important to absorb surges (e.g.
with diodes) to protect the contacts; i.e. the digital inputs and outputs of the drive.
Switching these inductive loads generates hundreds to thousands of volts of back-
EMF, which can severely damage contacts and shorten product life.
Please refer to the Motor Brake Control via Relays.
Figure 4-29 Motor brake wiring CDHD2S (medium-voltage model)

Table of Contents

Related product manuals