EasyManua.ls Logo

SICK TR4 - 7 Ejemplos de Aplicaciones

SICK TR4
264 pages
Go to English
Print Icon
To Next Page IconTo Next Page
To Next Page IconTo Next Page
To Previous Page IconTo Previous Page
To Previous Page IconTo Previous Page
Loading...
Instrucciones de servicio Capítulo 7
TR4
8014467/YTD7/2016-03-30 © SICK AG Industrial Safety Systems Alemania Reservados todos los derechos 139
Sujeto a cambio sin previo aviso
Ejemplos de aplicaciones
es
7 Ejemplos de aplicaciones
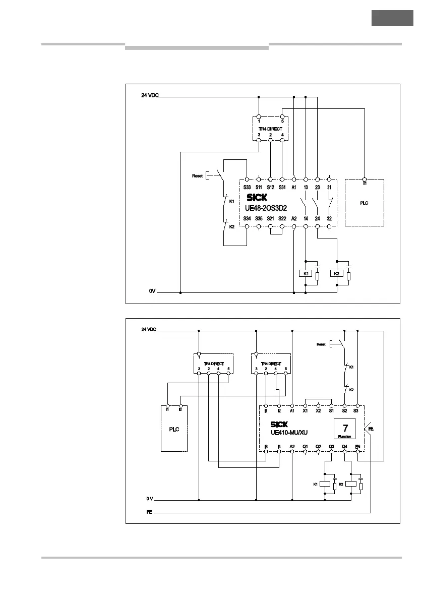
Fig. 10: Ejemplo de
aplicación con un único
interruptor de
seguridad TR4-S..02C
(con conector de
conexión M12
×
5)
Fig. 11: Ejemplo de
aplicación con dos
interruptores de
seguridad TR4-S..02C
(con conector de
conexión M12
×
5)
conectados en paralelo

Table of Contents

Related product manuals