EasyManua.ls Logo

Siemens CU240B-2 - Page 83

Siemens CU240B-2
518 pages
Print Icon
To Next Page IconTo Next Page
To Next Page IconTo Next Page
To Previous Page IconTo Previous Page
To Previous Page IconTo Previous Page
Loading...
Installing
4.5 Connecting the line supply, motor, and inverter components
Converter with the CU240B-2 and CU240E-2 Control Units
Operating Instructions, 01/2016, FW V4.7 SP6, A5E34259001B AC
83
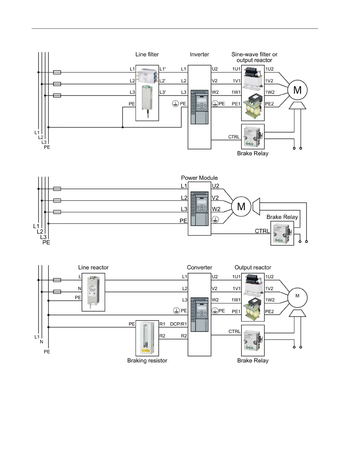
Image 4-7 Connecting the PM250 Power Module
Image 4-8 Connecting the PM260 Power Module
Image 4-9 Connecting the PM240-2 and PM340 1AC Power Modules

Table of Contents

Other manuals for Siemens CU240B-2

Related product manuals