EasyManua.ls Logo

Siemens simovert masterdrives - Page 1078

Siemens simovert masterdrives
1547 pages
Print Icon
To Next Page IconTo Next Page
To Next Page IconTo Next Page
To Previous Page IconTo Previous Page
To Previous Page IconTo Previous Page
Loading...
-792 -
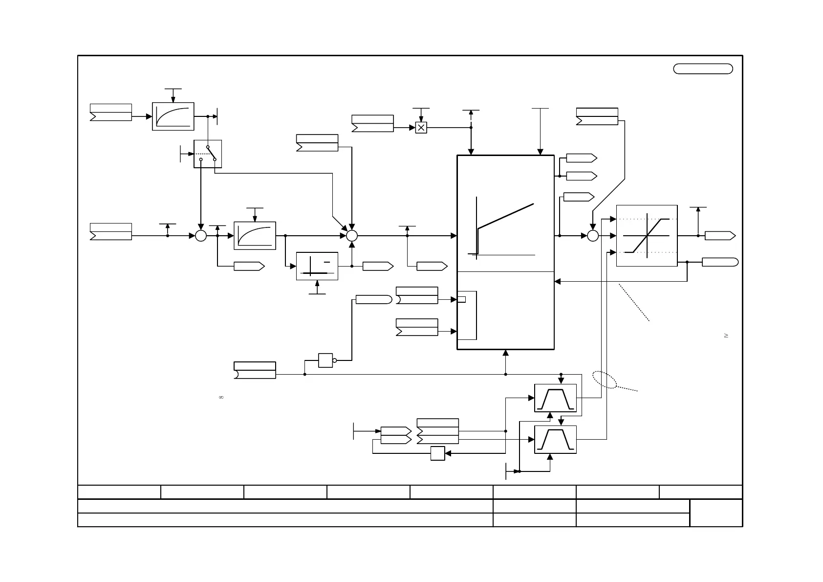
Function diagram
87654321
fp_mc_792_e.vsd
Free blocks
MASTERDRIVES MC
23.10.02
Technology controller
V2.5
xy
10
0 = normal PID controller
1 = PI controller with D-component
in actual-value channel
+
d
dt
D-Component
+
+
+
x
y
IN
Technology controller
KP Tn
OUT
+
1
Technology controller disabled
At "0" signal: OUT = 0
B+ = 0
B- = 0
Enable limitation
-1
ramp-function generator
Message "Technology
controller to output limitation"
+
B+
B-
y
If output limitation responds, track the
I-component in such a manner that |x|
|y|
Normally the output limitation is set via U369
and acts instantaneously and symmetrically
(same limit values for positive and
negative variables)
If parameterized correspondingly, the 2
limitation ramp-function generators enable
smooth approach or the output limits after
the technology controller has been enabled.
Tv = 0 ==> D-component disabled<1>
Tn = 0 ==> I-component disabled (acts as Tn = )
<2> Open signal path = 0 %
<3> Priority of the control signals for setting the controller output K0585:
1. "Enable technology controller" = 0
2. "Set I-component" = 1
(However: Setting the I-component also acts on K0585 when
controller is disabled)
Use the simple ramp-function generator on sheet 791,<4>
if you wish to avoid an abrupt switch-in
of the "TeCntr setpoint".
With U360 = 556, the "Setting value I-component" is adopted<5>
when "Enable technology controller" is activated.
<2>
<1>
<3>
<1>
<4>
<3>
<5>
x
{25 µs}
B+
B-
(Limiting ramp function generator reset)
K
U352 (0)
TeCntr Setp
Smoothing time constant
0.00 ... 60.00 s
U353 (0.00)
n354
U952.01 = ___(20)
Controller type
0 ... 1
U351 (1)
K
U355 (0)
TeCntr ActV
n356
n357
Smoothing time constant
0.00 ... 60.00 s
U358 (0.00)
K0580
Derivation time
0.00 ... 60.00 s
U367.F (0.00)
K0582
D-Component
K
U362 (0)
Droop
n359
K0581
K
U363 (1)
Gain adaption
Basic gain
0.00 ... 125.00
U364.F (3.00)
Effective gain
(-128.00...+128.00)
n365
Integral time
0.00 ... 100.00
U366.F (3.00)
B
U360 (556)
Set I-component
K
U361 (0)
SetV I-Comp
B0556
B
U350 (0)
Enable technology controller
K
.02 (587)
K0586
K0587
0.0 ... 200.0 %
U369 (100.0 %)
Accel/Decel time
0.00 ... 100.00 s
U371 (0.00)
B0555
K0588
Output technology controller
n372
K0585
Controller output
K0584
I-Component
K0583
P-Component
K
U368 (0)
Precontrol signal
K
U370
.01 (586)

Table of Contents

Other manuals for Siemens simovert masterdrives

Related product manuals