EasyManua.ls Logo

Siemens simovert masterdrives - Page 1080

Siemens simovert masterdrives
1547 pages
Print Icon
To Next Page IconTo Next Page
To Next Page IconTo Next Page
To Previous Page IconTo Previous Page
To Previous Page IconTo Previous Page
Loading...
Function diagram
87654321
fp_mc_794_d.vsd
Free blocks
MASTERDRIVES MC
14.10.2010
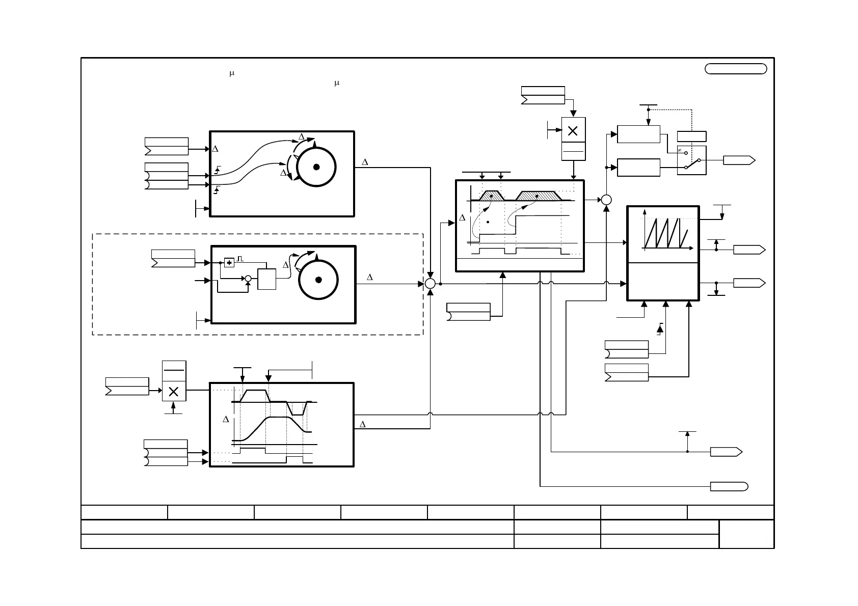
Additive Relative/Absolute Offset Angle Setting
-794 -
V2.5
s_relative
SET
SET
VALUE
RESET
POWER ON
t
t
v
s
Compensation motion
x1
x2
x1 x2
100%
*
Add. offset [LU]
Additive offset angle, relative
s_set_slave
[KK835]
.01
.02
Start +
Start -
Integrator with
ACL limiting
Scaling to
MD23
Scaling to
U825.3
U825.3
{Calculating time in no-load status: 31 s}
{Calculating time during compensation movement after start +/-: 69
s}
Inching offset angle
t
t
v
s_Inching
.03
.04
Inch +
Inch -
v_Inching
s
x1
x2
x1 x2
100%
*
+
+
+
+
U953.51=___ (20)
KK0834
Current offset
(for monitoring or non-
volatile storage by
means of tracking/
memory element [760] )
KK
U821.02 (0)
Offset setting value
(e.g. of tracking/memory
element [760])
B
U827 (0)
Set offset
KK
U824 (1)
Factor [%]
KK0833
Additive residual offset
B0840
Additive positioning active
KK0835
KK
U821.1 (0)
Additive, relative offset angle
B
U822 (0)
n826.3
ACL
0 - 2
31
U820 (4096)
n826.1
KK0832
Displace speed [%]
Setting speed
0.00 ... 20 000 000.00 [1000 LU/min]
U825.2 (60000.00)
Nominal speed
0.00...20.000.000.00 [1000 LU/min]
U825.3 (0)
B (1)
U819
Enable positioning
B
U822 (0)
KK
U824.2 (1)
Factor [%]
Acceleration
0.00...20 000 000.00 [1000 LU/s2]
U825.5 (0)
Mode additive,relative
Offset angle setting
0 = Additive
1 = Delete residual offset
U823.1 (0)
n826.2
B
B
Deceleration
0.00...20 000 000.00 [1000 LU/s
2
]
U825.6 (0)
Adjusting speed
0.00...20 000 000.00 [LU/min]
U825.4 (60000.00)
Acceleration
0.00 … 20 000 000.00 [1000 LU/s
2
]
U825.1 (0)
Displacement angle absolute
during change of values
Memory
+
-
SET
<1>
<1> Limited to axis cycle
s.set_Slave
[KK835]
Current displacement KK834
s_absolute
KK
U821.03 (0)
Absolute displacement angle
Operating mode of correction
0 = shortest distance
1 = as specified (new value >
old value => pos. direction)
U823.2 (1)
0
0
+
P
IL
O
T
V
E
R
S
IO
N
2.5

Table of Contents

Other manuals for Siemens simovert masterdrives

Related product manuals