EasyManua.ls Logo

Siemens simovert masterdrives - Page 1081

Siemens simovert masterdrives
1547 pages
To Next Page IconTo Next Page
To Next Page IconTo Next Page
To Previous Page IconTo Previous Page
To Previous Page IconTo Previous Page
Loading...
Function diagram
87654321
fp_mc_794_d.vsd
Free blocks
MASTERDRIVES MC
23.10.02
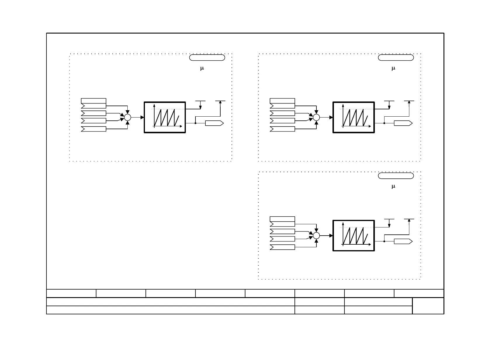
Offset Adder with Limitation to ACL
- 794a -
V2.5
Limitation to ACL
Offset adder with limitation to ACL {14 s}
+
Limitation to ACL
Offset adder 2 with limitation to ACL {14 s}
+
Limitation to ACL
Offset adder 3 with limitation to ACL {14 s}
+
<1>
<1> The sum of the four input values must be
in the range of (-2
31
+1) to (2
31
-1).
<1>
<1>
KK836
KK
U828.1 (0)
KK
.4
n829
KK
.3
KK
.2
U953.52=___ (20)
ACL
31
U830 (4096)
KK867
KK
U831.1 (0)
KK
.4
n832
KK
.3
KK
.2
U953.53=___ (20)
ACL
0 - 2
31
U833 (4096)
KK868
KK
U834.1 (0)
KK
.4
n835
KK
.3
KK
.2
U953.54=___ (20)
ACL
0 - 2
31
U836 (4096)

Table of Contents

Other manuals for Siemens simovert masterdrives

Related product manuals