EasyManua.ls Logo

Siemens simovert masterdrives - Page 1083

Siemens simovert masterdrives
1547 pages
To Next Page IconTo Next Page
To Next Page IconTo Next Page
To Previous Page IconTo Previous Page
To Previous Page IconTo Previous Page
Loading...
-795 -
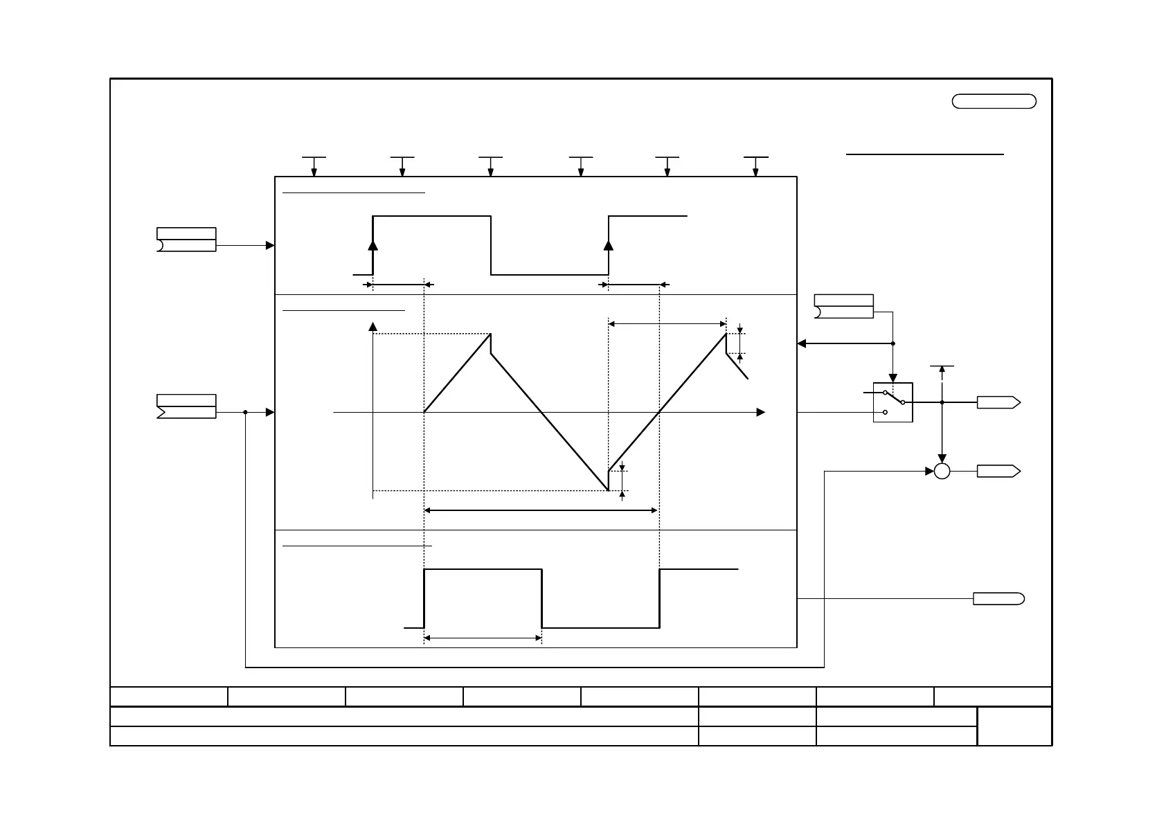
Function diagram
87654321
fp_mc_795_e.vsd
Free blocks
MASTERDRIVES MC
23.10.02
Wobble generator
V2.5
(Time portion of the rising edge)
IN
Wobble - synchronizing input
Wobble - delta generator
OUT
U393
-U393
U397
U396
Wobble - synchronizing output
U395U395
U398
U394
0.5 x Tw
Wobble generator {42 µs}
0
1
OUT
0 %
+
+
Wobble enable
Wobbling always commences with a
positive zero passage and always
ends with the next zero passage
at U395 = 360:<1>
<1>
Synchronizing signal from master is not taken
notice of (freewheeling wobbling).
Wobble amplitude
0.00 ... 20.00 %
U393.F (0.00)
Wobble frequency
0.1 ... 120.0 1/min
U394.F (60.0)
Phase displacement
0 ... 360 °el
U395.F (360)
P skip negative
0.00 ... 100.00 %
U396.F (0.00)
P skip positive
0.00 ... 100.00 %
U397.F (0.00)
Duty factor
0 ... 100 %
U398.F (50)
B
U391 (0)
Synchronizing signal from master
K
U390 (0)
Setpoint, unwobbled
B
U392 (0)
K0591
Setpoint, wobbled
K0590
Wobble signal
n399
B0560
Synchronizing signal to slave
U952.02 = ___(20)

Table of Contents

Other manuals for Siemens simovert masterdrives

Related product manuals