EasyManua.ls Logo

Siemens simovert masterdrives - Page 1123

Siemens simovert masterdrives
1547 pages
Print Icon
To Next Page IconTo Next Page
To Next Page IconTo Next Page
To Previous Page IconTo Previous Page
To Previous Page IconTo Previous Page
Loading...
Function diagram
87654321
fp_mc_818_e.vsd
Technology option
MASTERDRIVES MC
02.02.04
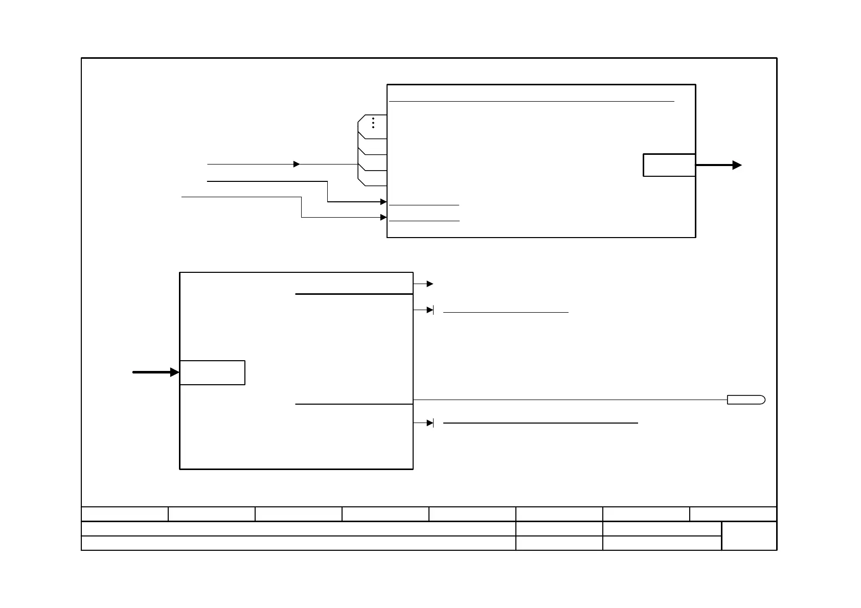
Faults, alarms, diagnosis - Basic unit control bits
-818 -
Basic unit control bits
n540.01 ... .40 = Central diagnostic parameters for positioning
- n540.02 = Effective position setpoint (acc. to rotary-axis function etc.)
- n540.03 = Position actual values from position sensing system
- n540.05 = Following error
- n540.06 = Following error - current limit (= MD15 during travel, = MD14 at a standstill)
- n540.07 = Following error - fault (following distance with correct sign when A140, A141)
- n540.08 = Remaining distance [LU]
- n540.10 = Current speed setpoint with override included in the calculation
- n540.26...33 = Position alarm memory (n540.26= Latest position alarm, = 0, if there is no current
position alarm)
Faults, alarms, diagnosis
<1> Acknowledgement possible via PMU, binector and serial interface, not via OP1S
Position alarm
Basic unit control and status bits used by the operating-mode manager and the operating modes:
ACK_F Acknowledge fault (ACKnowl. Fault)
ENC Enable controller (ENable Controller)
OFF3 OFF3
OFF2 OFF2
OFF1 OFF1
Basic unit status word 1
Fault and alarm number
K032 [200.6]
K250
K030 [180.7]
Control word 1
Control bits
Bit 3
Bit 2
Bit 1
Bit 0
Bit 7
F063 = Technology option disabled; see [800]
n591 Current positioning fault message
[WARN_NO]
A129 ... A255
For example:
- A130...134 = Operating condition is missing (OFF1/2/3, inverter enable, "No fault" etc.)
- A135 = Position actual value not O.K. [815.3]
- A140 = Following error, standstill > MD14 (see also n540.07; Standstill means
"Position setpoint = 0", Axis may still be rotating!)
- A141 = Following error, moving > MD15 (see also MD43 and n540.07)
- A142 = Destination reached, axis stationary - Monitoring system activated (see MD16, MD17)
- A195,196, 227, 228 = Software limit-switch approached
Faults
Positioning alarms /
fault messages
Diagnostic
data
Diagnostic data
(visualization
parameters)
must be acknowledged by
means of control bit ACK_F
(Acknowledge fault);
see above <1>
from the operating modes
to the operating modes
V2.5
B0350

Table of Contents

Other manuals for Siemens simovert masterdrives

Related product manuals