EasyManua.ls Logo

Siemens simovert masterdrives - Page 1124

Siemens simovert masterdrives
1547 pages
Print Icon
To Next Page IconTo Next Page
To Next Page IconTo Next Page
To Previous Page IconTo Previous Page
To Previous Page IconTo Previous Page
Loading...
Function diagram
87654321
fp_mc_819_e.vsd
Technology option
MASTERDRIVES MC
08.01.02
Set-up mode
-819 -
Sampling time for positioning
Recommended: U953.32=4
Control bits
[809]
Operating
mode
[809]
[F_S]
[J_FWD]
[J_BWD]
[FUM]
[RST]
1 = Set-up mode
0
1
0/1 = Velocity level 1/2
0
1
0%
0
1
0%
Jog forwards
+
-
Carry out TEACH-IN function for automatic
mode by means of parameters (see also [828])
(not yet released):
- U571:= Program number
- U572.1:=0
- U572.2:= Block number
- U590=5:= Current actual position is adopted
in the block.
- By means of U590 = 0, the "Completed"
message is given automatically
- At n591, any fault message occurring is
displayed (fault number = Task error -2000)
[ST_EN Start enable
[FUR] Fuction running
[FWD] Forwards
[BWD] Backwards
[OTR] Overtravel
[ARFD] Axis referenced
1 ... 99 999 [x 1000 LU/s
2
]
Accel-
eration
MD18
(1000)
Decel-
eration
MD19
(1000)
Jog backwards
<1> The software limit switches are only evaluated on incremental
position encoders if the axis is referenced (status bit [ARFD]=1)
[815]
Control signals
for position
detection
Status bits
[811]
Diagnostic data
[818]
Position
signals
[815]
Override
[809]
0 ... 255 %
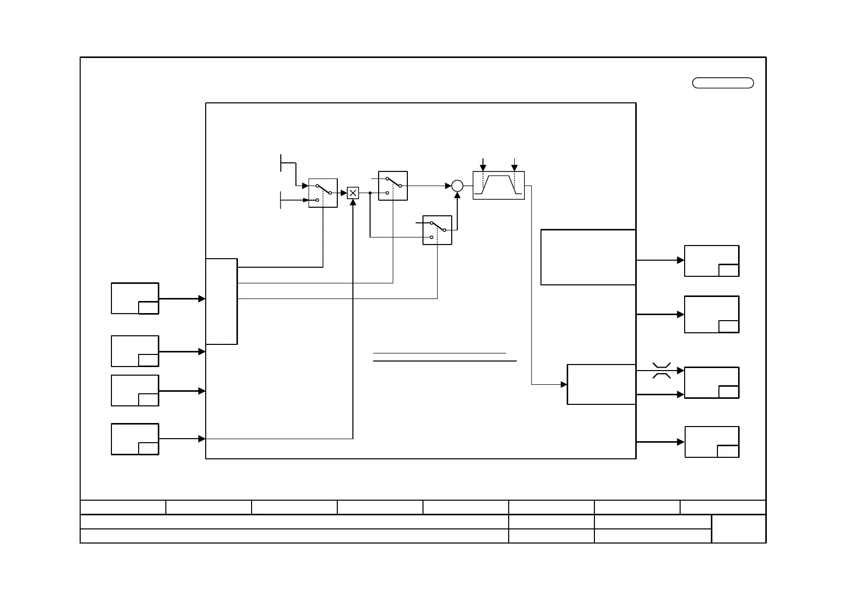
Set-up mode (position-controlled jogging with limit-switch evaluation)
<1>
Positioning input signals
Ramp-function
generator
Positioning output signals
Follow-up mode
Reset technology
- Position setpoint
- Velocity precontrol
value
Setpoint
[817]
Software
limit switch <1>
MD13
MD12
s*
v*
V2.5
U953.32 = ___(20)
Velocity level 1
0.00 … 499 999.99
[x 1000 LU/min]
U510.1 (1000.00)
Velocity level 2
0.00 … 499 999.99
[x 1000 LU/min]
U510.2 (10 000.00)

Table of Contents

Other manuals for Siemens simovert masterdrives

Related product manuals