EasyManua.ls Logo

Siemens simovert masterdrives - Page 1126

Siemens simovert masterdrives
1547 pages
Print Icon
To Next Page IconTo Next Page
To Next Page IconTo Next Page
To Previous Page IconTo Previous Page
To Previous Page IconTo Previous Page
Loading...
Function diagram
87654321
fp_mc_822_e.vsd
Technology option
MASTERDRIVES MC
09.01.02
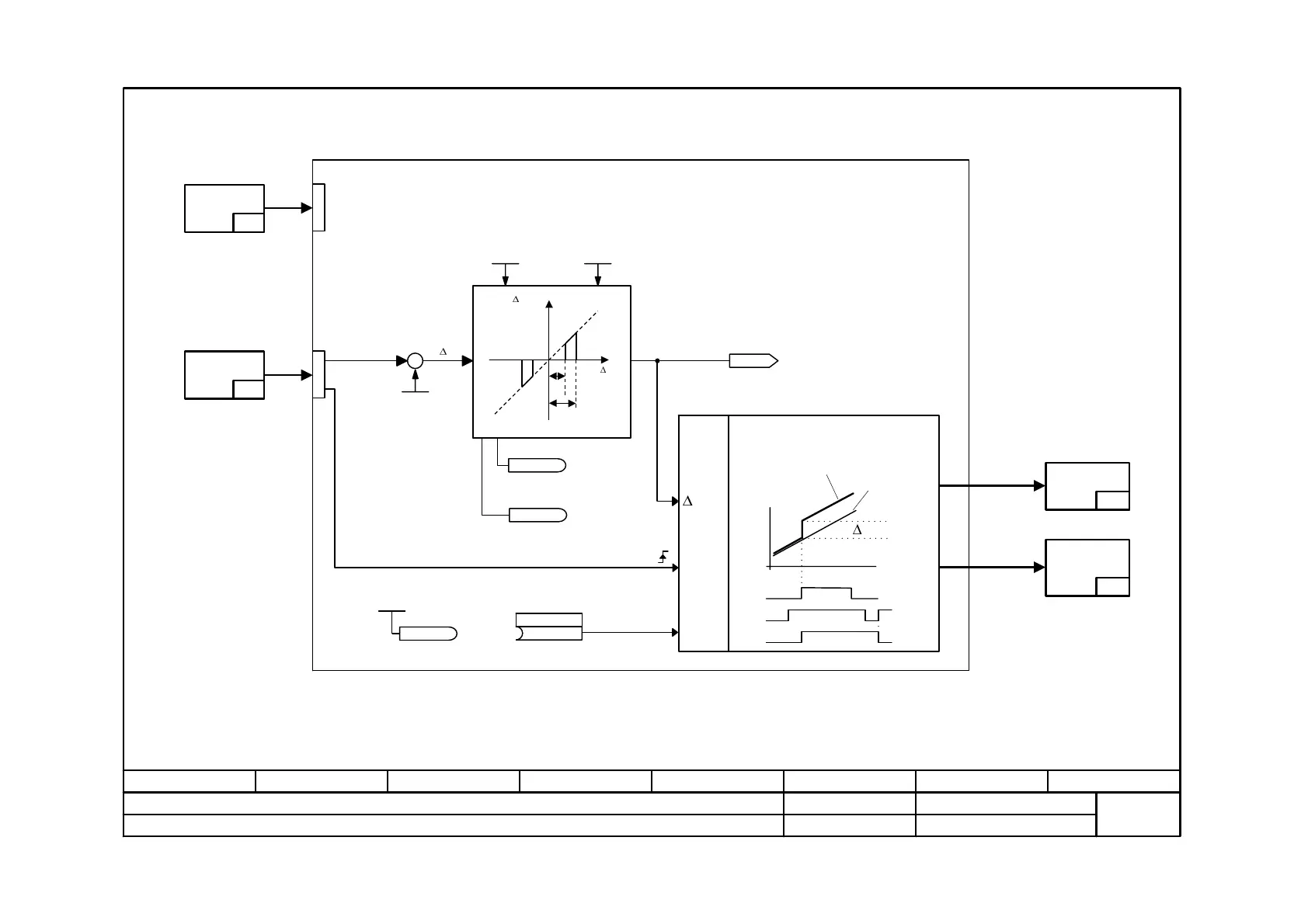
Reference point setting on the fly
-822 -
V2.5
<1> During referencing, only the position setpoint and actual value are corrected by the
same amount in each case. No compensation movement takes place.
<2> Referencing on the fly is enabled dynamically with "Enable referencing"
(binector input U675.1).
The interrupt-generating digital inputs of terminal 6 or 7 are parameterized via
MD46. Referencing is activated by the signal "Measured position value valid".
+
-
s_set
and
s_act
t
with referencing
s_corr
<1>
Start
s_corr
Enable
without
referencing
Referencing window
Reference mark
outside window 2
Position
signals
[815]
Reference point setting on the fly
(acts in control, setup, MDI and automatic)
For synchronism, see [843]
Measured position
value from
position memory
Measured position value valid
Reference point setting on the fly
from terminal 6 or 7
MD46 = xx4xxx or x4xxxx
[813]
Start
Enable
ARFD
s
s
s_corr
F2
F1
Positioning input signals
Digital inputs for
positioning
[813]
Positioning output signals
[815]
Control signals
for position
sensing
Status bits
[811]
[ARFD]
Axis is
referenced
<2>
Trigger master
setpoint correction
KK0308
Absolute value master
setpoint correction
B0829
F1 =
Inner window
U504.2 (0)
F2 =
Outer window
U504.3 (0)
MD3
[804]
Homing
coordinates
B0828
B0824
0...1
U660.2 (0)
,
B
U675.1 (824)
Referencing enable

Table of Contents

Other manuals for Siemens simovert masterdrives

Related product manuals