EasyManua.ls Logo

Siemens simovert masterdrives - Page 1128

Siemens simovert masterdrives
1547 pages
Print Icon
To Next Page IconTo Next Page
To Next Page IconTo Next Page
To Previous Page IconTo Previous Page
To Previous Page IconTo Previous Page
Loading...
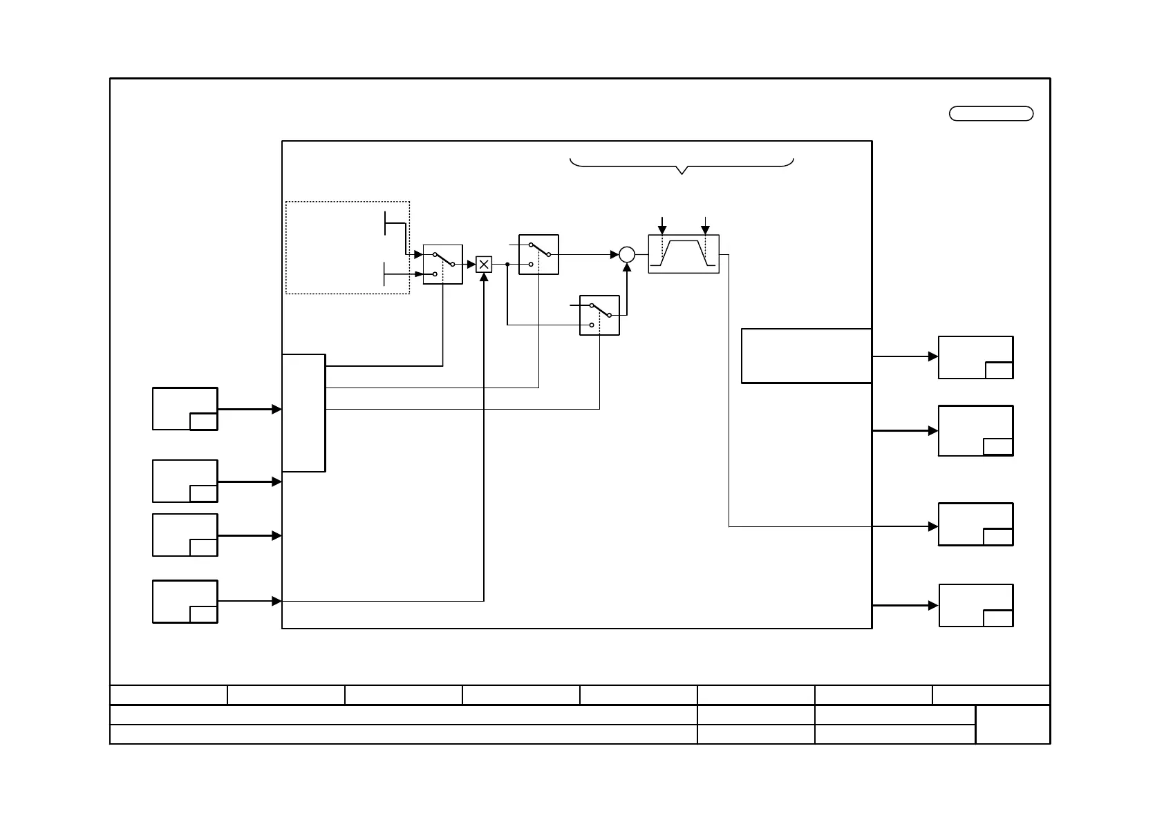
Function diagram
87654321
fp_mc_825_e.vsd
Technology option
MASTERDRIVES MC
02.02.04
Control mode
-825 -
Sampling time for positioning
Recommended: U953.32=4
Control bits
[809]
Operating
mode
[809]
[F_S]
[J_FWD]
[J_BWD]
[FUM]
[RST]
4 = Control mode
0
1
1/0 = Fast / Slow
0
1
0%
0
1
0%
Jog forwards
+
-
[ST_EN Start enable
[FUR] Function running
[BWD] Backwards
[FWD] Forwards
0... 99 999 ms (from 0 to MD23 or from MD23 to 0)
Accel.
time
MD41
(100)
Decel.
time
MD42
(100)
Jog backwards
[815]
Control signals
for position
sensing
Status bits
[811]
Diagnostic data
[818]
Position
signals
[815]
Override
[809]
0 ... 255 %
Control mode (speed-controlled jogging without limit-switch evaluation)
Positioning input signals
Ramp-function
generator
Positioning output signals
Follow-up mode
Reset technology
Setpoints
[817]
v*
Velocity precontrol value
V2.5
U953.32 = ___(20)
Fixed level 1 "Slow"
0...100.00 % of MD23
U511.01 (10 %)
Fixed level 2 "Fast"
0...100.00 % of MD23
U511.2 (100 %)

Table of Contents

Other manuals for Siemens simovert masterdrives

Related product manuals