EasyManua.ls Logo

Siemens simovert masterdrives - Page 1136

Siemens simovert masterdrives
1547 pages
Print Icon
To Next Page IconTo Next Page
To Next Page IconTo Next Page
To Previous Page IconTo Previous Page
To Previous Page IconTo Previous Page
Loading...
Function diagram
87654321
fp_mc_834a_e.vsd
Technology option
MASTERDRIVES MC
02.02.04
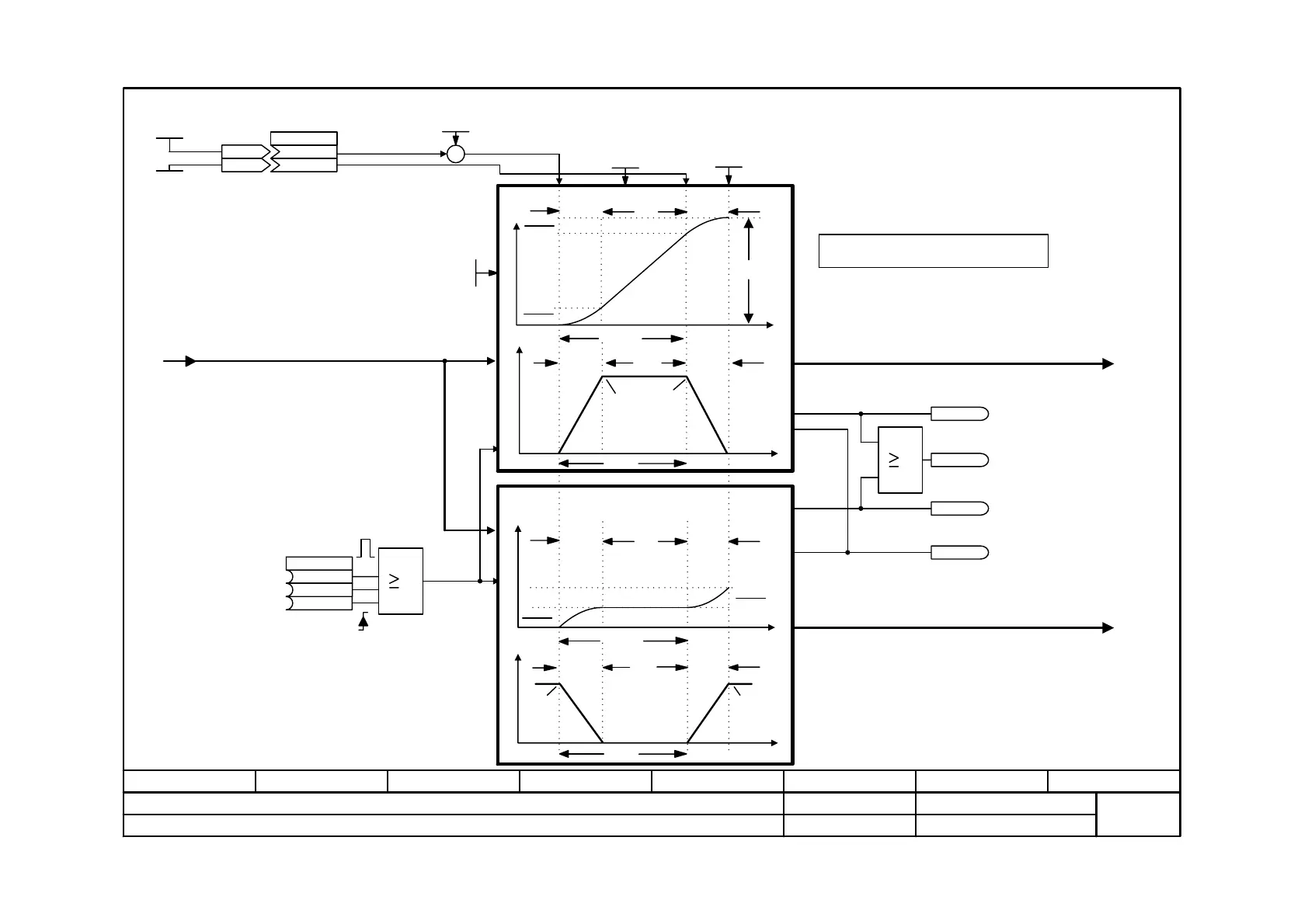
Synchronism - engaging/disengaging actions catch-up U475 < 11
- 834a -
1
<1>
<2>
0.1
0.2
<2> Single enable [SST]:
After a positive edge, engaging/disengaging is carried out once.
<4> Only effective for U475 > 0
<1> Permanent enable [SSC]:
As long as the permanent enable = 1 (U475=0 in the standard configuration),
procedure is as per following differentiation of cases:
U611
slave
< U601 ==> The engaging/disengaging action is carried out again
each time the couple position is reached.
U611
slave
= U601 ==> The engaging/disengaging action is only carried out
once the first time the couple position is reached.
After this the drive is engaged or disengaged.
U611
slave
= U611 + U610.1
[LU]
+
+
[LU]
[834.3]
Ramp inactive (in constant run)
(=1 during time span U611 - U610)
1
Engaging is running
(=1 during time span U611
slave
)
Engaging/disengaging is running
(=1 during time span U611
slave
)
Disengaging is running
(=1 during time span U611
slave
)
[834.5]
[834.5]
At Point B(D) synchronism is attained
At Point C(A) synchronism is lost
Engaging
s_slave
U611
s_master
v_slave
U611
s_master
U610.1
2
2
U611
slave
Disengaging
U611
s_master
s_slave
s_master
v_slave
2
2
U611
V2.5
[SSC] Permanent enable
0.3
[SST] Single enable
Permanent enable
continuous
Configuration of engaging/disengaging U475 (from version 1.6)
Standard configuration U475 = 0 or U601 = 0:
The position at which the constant travel phase of engaging is finished
results from the engage position and the engaging/disengaging length.
The disengaging position is not taken into account.
Special configuration U475 = 1 and U601 > 0:
The position at which the constant travel phase of
engaging is finished is determined exclusively by the disengaging
position. The engaging/disengaging length is not taken into account
but it must be set greater than the desired total length of the
acceleration/deceleration ramp.
.01 (822)
Src disengaging position
From version 1.6 the following applies with regard to the
engaging/disengaging special configuration (U475=1):
Only one of the two constant enables can be given. If the
constant enable signal is given, engaging/disengaging action is
performed every time the engaging position is reached again.
If the constant enable signal is given continuously, engaging/
disengaging is only performed once when it first reaches the
engaging position.
After this, the drive remains engaged or disengaged
respectively.
<3>
<3>
[LU]
U610.1
U610.1
U610.1
U610.1 U610.1
U610.1 U610.1
U610.1
U610.1
U610.1 U610.1
<4>
(D)
(A) (B) (C)
(B)
(C)
(D)
(A)
B
U612 (0)
Enable
engaging/ disengaging
KK0822
KK
U609
Offset
couple position
B0832
B0833
B0831
B0803
B
KK
.02 (821)
Config.Eng/Diseng
0 ... 111(0)
U475
KK0821
B
Offset couple
position
U613.1 (0)
Disengaging pos.
U613.2 (0)
Couple position
U608 (0) [LU]
<1>
Total length of
acceleration/deceleration ramp
U610.1 (1) [LU]
Engaging/disengaging
length
U611 (0) [LU]
<1>

Table of Contents

Other manuals for Siemens simovert masterdrives

Related product manuals