EasyManua.ls Logo

Siemens simovert masterdrives - Page 685

Siemens simovert masterdrives
1547 pages
To Next Page IconTo Next Page
To Next Page IconTo Next Page
To Previous Page IconTo Previous Page
To Previous Page IconTo Previous Page
Loading...
02.2004 Communication / CBC CANopen Communication Board
Siemens AG 6SE7087-6QX70 (Version AD)
SIMOVERT MASTERDRIVES Compendium Motion Control 8.5-127
87654321
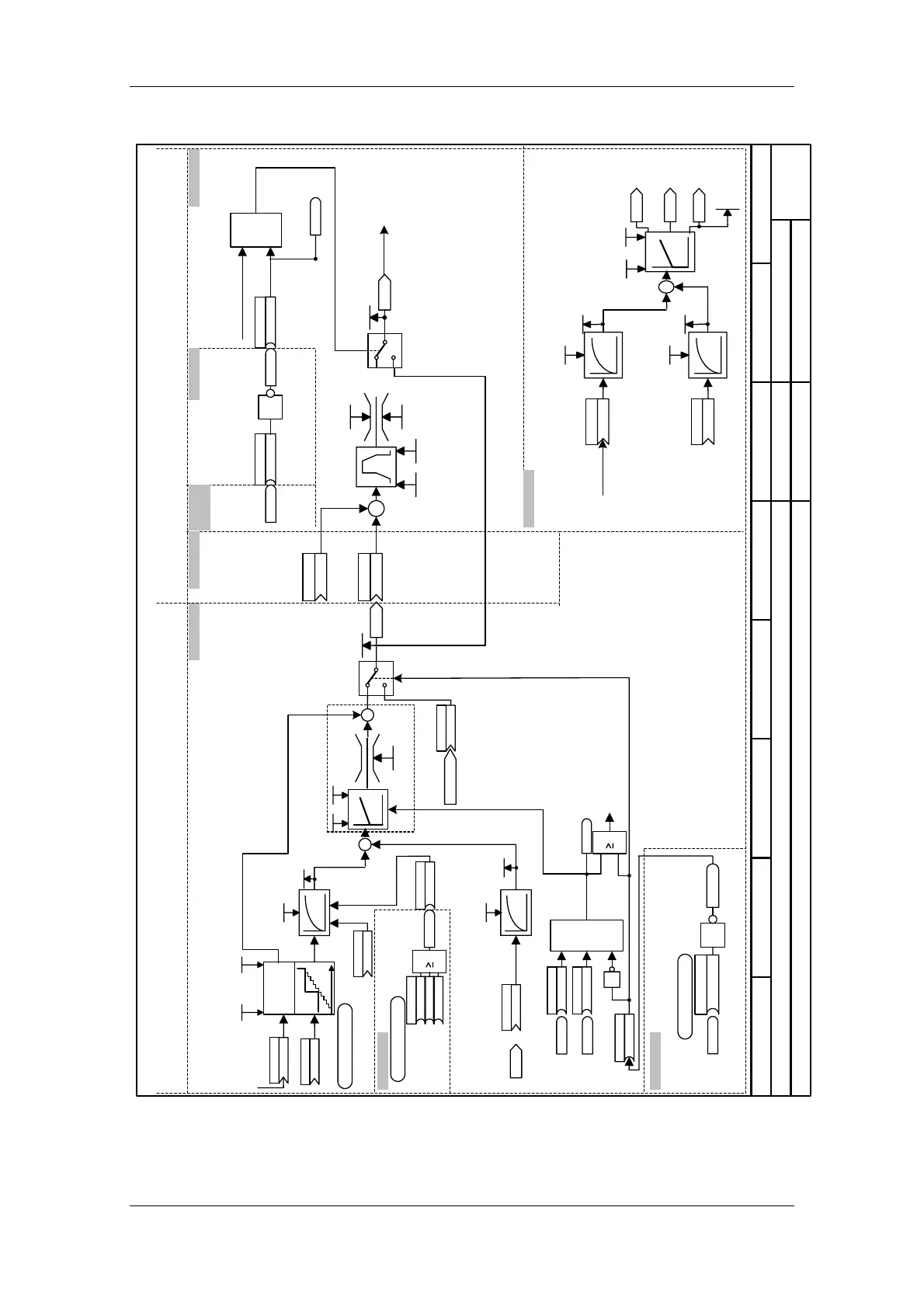
Overview: Interconnections for CANopen
MASTERDRIVES MC
24.11.03
MASTERDRIVES MC with B-Pos
- 8520 -
from V1.5
Speed controller
+
P220.B(75)
KK
Src n(set)
Smooth n/set)
0.0 ... 100.0 ms
P221.F (0.0)
P222 (91)
KK
Src n(act)
Smooth n(act)
0.0 ... 100.0 ms
P223 (0.0)
[rev/min]
n(act,smooth)
r230
[min
-1
]
n(set,smooth)
r229
K0154
n-Reg (P comp.)
K0155
n-Reg (I comp.)
K0153
M(set,n-Reg.)
M(set,n-Reg.)
r255
n-Reg. Tn
0 ... 1000 ms
P240.F (50)
n-Reg. Kp1
0.0 ...1000.0
P240.F (10.0)
Sheet [340]
Position controller
1
B0649
U259 (0)
B0877
KK0131
+
Smooth Pos Set
0.0 ..1000.0 ms
P191.F (0.0)
P194 (120)
KK
Src Pos ActV
ActPos Smoothing
0.0... 1000.0 ms
P195 (0.0)
Pos ActV
PosReg
r201
PosSetp
r200
Pos RegTn
0 ..10000 ms
P206.F (0)
Pos Reg Kv
0.000..20.000
P204.F (0.100)
[LU]
P190 (310)
KK0882
Src PosSetp
Position
setpoint
interpolator
t
Transmission raio-
sampling time
-8 ... 8
P770 (3)
Max. jump for
interpolation
0 ... (2
31
-1)
P771 (0)
Ü=2
P770
[LU]
Pos Reg Output
r214
P202.B (134)
PosReg Limit
0
1
+
+
P209 (312)
KK0881
PRE PosReg
P212 (311)
KK
Src Ctrl Setp
P213 (305)
B0649
Src Release Ctrl
1
&
P211 (104)
B
Src2 Rel PosReg
P210.B (0)
B
Src1 Rel PosReg
B0220
Pos Reg Enable
Enable
This block is calculated
only after enabling.
1
Enable RFG bypass
by position control [320.6]
Setpoint channel
P443.B
KK
Src MainSetpoint
P433.B (0)
KK
SrcAddSetpoint 1
Sheet [320]Sheet[310]
Reference
frequency: P352
Speed: P353
Torque: P354
P462.F (10 s)
Accel Time
P464.F (10 s)
Decel Time
P453.F (-110,0%)
n(max,REVSpeed)
n(max,FWDSpeed)
P452.F (110.0%) *
)
0
1
Position controller output [340.8]
n/f(setp)
r482
KK075
from setpoint channel
Sheet 320
Sheet [360]
to speed controller
Sheet 360
B0877
BPos Set
PSR
Sheet [770]
B0648
Mode In
Control
inverted
Enable RFG bypass
by pos. control [340.5]
B0205
Position controller enable
by RFG bypass
&
P772 (1)
B
SrcEnRGenByp
U258 (0)
B
Mode In
Control
inverted
B3212
Profile
Velocity
Mode
Sheet
[765]
1
V-Setpoint SDO/PPO
B0104
Operation
B0877
BPos Set
PSR
U923.53 = 4 (20)
KK0120
Pos ActV
P192 (0)
KK0120
Src SetV PosSet
P193.B (0)
B0628
Src Set PosSetp
B06281
U248 (0)
B3200
B0105
B0000
U952.40 = 4 (20)
U953.40 = 3 (3)
KK0418/30xx
Sheet [765]
B-Pos PosSetp
B-Pos V-Setpointt
Sheet [770]
HM35 set position
No operation

Table of Contents

Other manuals for Siemens simovert masterdrives

Related product manuals