EasyManua.ls Logo

Siemens simovert masterdrives - Page 686

Siemens simovert masterdrives
1547 pages
To Next Page IconTo Next Page
To Next Page IconTo Next Page
To Previous Page IconTo Previous Page
To Previous Page IconTo Previous Page
Loading...
Communication / CBC CANopen Communication Board 02.2004
6SE7087-6QX70 (Version AD) Siemens AG
8.5-128 Compendium Motion Control SIMOVERT MASTERDRIVES
- 8521 -
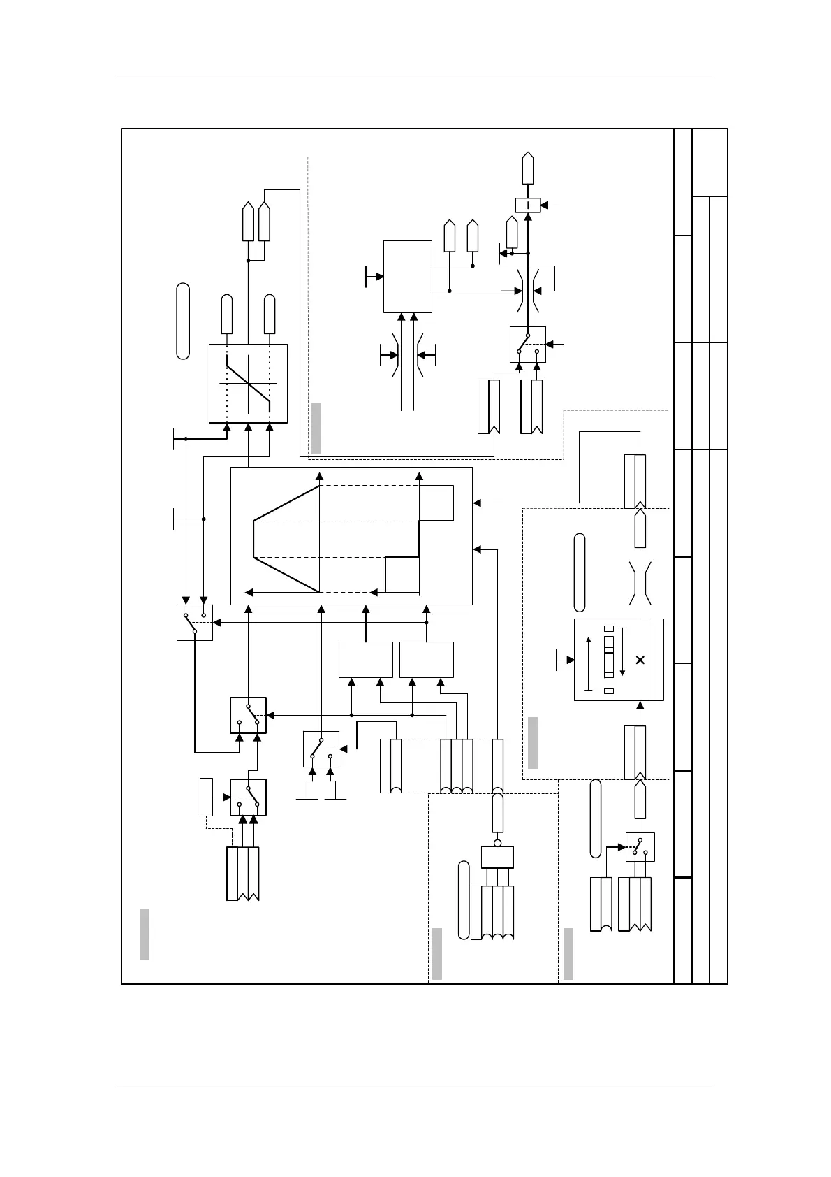
Function diagram
87654321
Simple ramp-function generator 2 for Profile Torque Mode
MASTERDRIVES MC
23.10.02
MASTERDRIVES MC with B-Pos
from V1.5
U469
K0525
Input simple
RFG
KK (0)
.02
.01
0
=0
1
0
U953.56 = ___(20)
0
1
U471.01
[LU/sec]
U471.02
[LU/sec]
U470
B(0)
.01
B(0)
.02
Enable motor-op.
potentiometer
B(0)
.03
MOP +
B(0)
.04
MOP
B0688
.05
Set
&
&
U469.3
KK00618
Source setting
value simple ramp-
function generator
x
y
Upper limit
U472.01
-(2
31
-1) ... (2
31
-1)
Lower limit
U472.02
-(2
31
-1) ... (2
31
-1)
B852
RFG to upper limit
B853
RFG to lower limit
KK855
K854
from [8519]
32 bit input
Adjusting speed
1/2
0 ... (2
31
-1)
0
1
U469.01
U443.01 (0)
KK0522
Number of shift steps
-31 ... +31
U442.01 = -16
KK0618
y = x * 2
n
n
n = 0...-31
Sign
0
031 1
n = 0...+31
xy
2
31
-1
-2
31
-1
U953.36 = 04 (20)
.01
U168 (0) U951.19 = 04 (20)
K0522
K0241
U169 (0)
B3211
.02
K0000
0
1
Torq (act)
Master/slave
drive
U268 (0)
U952.94 = 04 (20)
&
B3101
B0688B3102
B3211
.01
.02
.03
SET SET_VAL
t
t
yx
LU
LU/s
+
1
0
P260.B (153)
K
Src Torq (set)
P261.B (0)
K0854
Src Torq (conseq)
Master/slave drive
from control word 2 [190.5]
[360]
K0165
Torq (set,Lim)
r269
Torque limitation
Max Current
P128
K0172
TorqLim1,act
K0173
TorqLim2,act
TorqLim1 FSetp
P263.F (100%)
P264.F (-100%)
TorqLim2 FSetp
x
y
K0168
Isq(set)
Magnetization of
current control
[390.7]
Sheet [370]
Sheet [732]
Sheet [750]
Torque setpoint
Master/
slave
OFF 3
OFF 2
Sheet [770]
Conversion
n(act)% in LU
Sheet [786b]
to [390.2]

Table of Contents

Other manuals for Siemens simovert masterdrives

Related product manuals