EasyManua.ls Logo

Siemens simovert masterdrives - Page 972

Siemens simovert masterdrives
1547 pages
Print Icon
To Next Page IconTo Next Page
To Next Page IconTo Next Page
To Previous Page IconTo Previous Page
To Previous Page IconTo Previous Page
Loading...
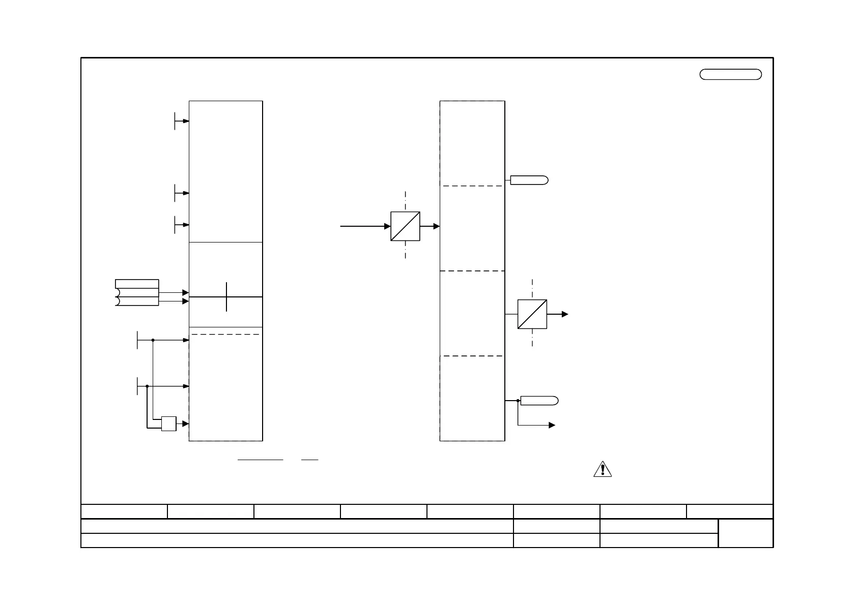
Function diagram
87654321
fp_mc_145_e.vsd
SIMOLINK Board (SLB) 2
MASTERDRIVES MC
30.08.01
Configuration and diagnosis
-145 -
V2.5
SLB
configuration
General part
Dispatcher-
specific part
Module
address = 0
f
<1>
SLB
diagnosis
O
E
Receive
SIMOLINK
telegram a for time=sµ6.36 ;
P745
1
)2
µs 6.36
sµ 3.18+P746
(= nodes addressed of Number :f
E
O
Transmit
<1>
(3.18 due to rounding off)
A004
Start alarm SLB2
SIMOLINK
<2> Number of channels = number of transmission channels (32 bit transmission words) per node, is according to the node which uses the most
transmission channels.
<2>
.01
.02
1
0
0
0
SLB in
lower slot
SLB in
higher
slot
Select active SLB
0 = SLB is source for
synchronization
When SIMOLINK is used, telegram failure
monitoring should always be activated!
For the SLB telegram failure time
P741 = 4* P746 (SLB bus cycle time) is
recommended.
This formula only applies if no special data (FD 160a) have been connected
2. Inactive SIMOLINK Board
SLB NodeAddr
0 ... 200
P740.2 (1)
SLB Trns Power
1 ... 3
P742 (3)
SLB # Nodes
0 ... 255
P743.2 (0)
B0047
SLB2 Time out
B0048 SLB2 Start
n959.20 = 7
SLB Channel #
1 ... 8
P745.2 (2)
SLB Cycle Time
0.20 ... 6.50 ms
P746.2 (3.20)
B
P744
Source SYNC Select
B

Table of Contents

Other manuals for Siemens simovert masterdrives

Related product manuals