EasyManua.ls Logo

Siemens simovert masterdrives - Page 976

Siemens simovert masterdrives
1547 pages
Print Icon
To Next Page IconTo Next Page
To Next Page IconTo Next Page
To Previous Page IconTo Previous Page
To Previous Page IconTo Previous Page
Loading...
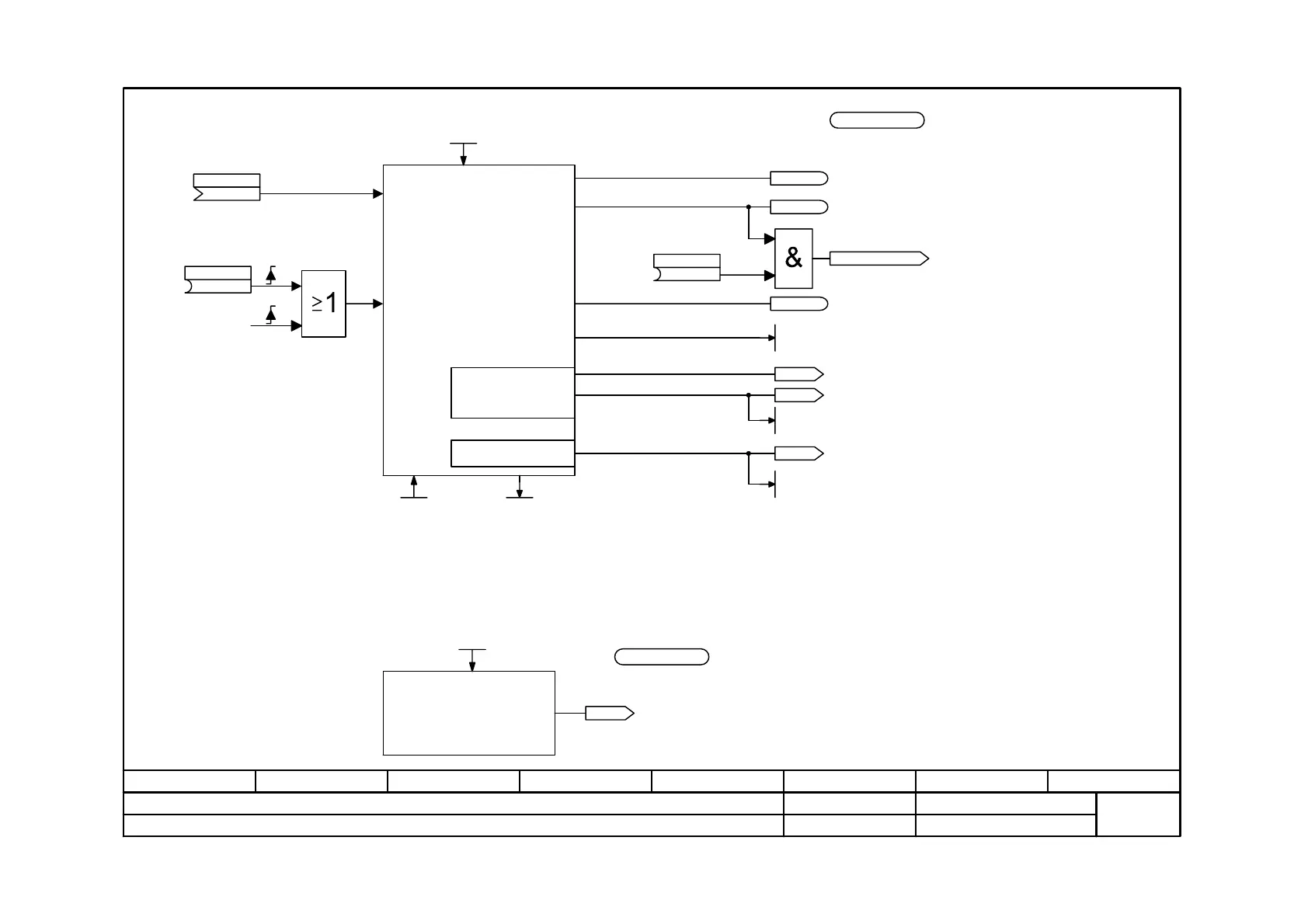
Function diagram
87654321
fp_mc_170_e.vsd
Communication
MASTERDRIVES MC
07.01.02
Generate and monitor sign of life
-170 -
V2.5
Generate
sign of life
Monitor sign of life
1: No-load 11: Fault and no-load
2: Start 12: Fault and restart
3: Test 13: Fault and test
4: SoL OK 14: Fault and SoL OK again
5: Alarm 15: Fault and repeated alarm
If sign-of-life is invalid, then
K257 = K257 + 10;
if sign-of-life is valid, then
K257 = K257 - 1
Control word 1
Bit 7
If sign-of-life invalid, then
K258 = K258 + 1
1 = "Fault F152"
Tranformation ratio
0: Invalid
1...8
Note:
Only binector B0242 can be reset via P808.
Fault F152 must be acknowledged in the
control word.
Maximum permissible number of sign-of-life
faults
A fault bit is set if the number of missing signs-
of-life is higher than the fault level, i.e.
K0257 > 10 x P925
0: Sign-of-life begins with bit 0
1: Sign-of-life begins with bit 12
0: Sign-of-life begins with bit 0
1: Sign-of-life begins with bit 12
U953.20 =___ (20)
K0255 Sign of life
U953.21 =___ (20)
K
P807 (0)
Sign of life
Fault level
[1..10]
P925 (4)
B0241 Valid sign of life
B0242 Sign of life fault present
B
P808 (0)
Reset sign of life
B
P811 (1)
Enable fault F152
r809
r812
K0257
Sign of life
Fault counter
r813
K0258
Total number of missing
signs of life
Sign-of-life bit position
0...1
P814 (0)
K0256 Transmit SLAVE sign-of-life
Sign-of-life bit position
0...1
P814 (0)
B0243
Master application field
Status
r810

Table of Contents

Other manuals for Siemens simovert masterdrives

Related product manuals