EasyManua.ls Logo

Siemens simovert masterdrives - Page 993

Siemens simovert masterdrives
1547 pages
Print Icon
To Next Page IconTo Next Page
To Next Page IconTo Next Page
To Previous Page IconTo Previous Page
To Previous Page IconTo Previous Page
Loading...
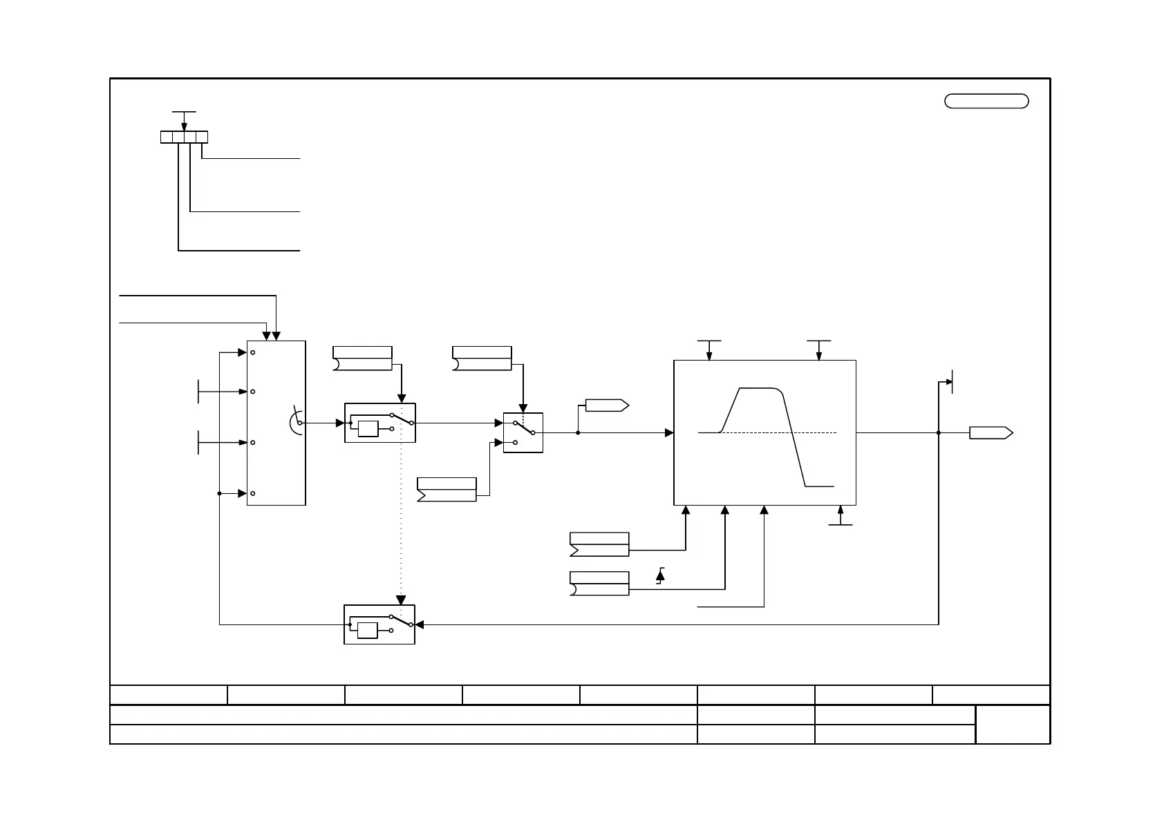
Function diagram
87654321
fp_mc_300_e.vsd
Setpoint channel
MASTERDRIVES MC
18.01.06
Motorized potentiometer
-300 -
V2.5
0 0
0 1
1 0
1 1
-1
0
1
-1
0
1
0
1
ON from sequence control [180.7]
MOP storage:
Ramp generator MOP:
Initial rounding MOP:
0 Mot. potentiometer setpoint is not stored.
Starting point is specified after ON by P426 StartValue MOP.
1 Mot. potentiometer setpoint is stored in a non-volatile manner after OFF.
After ON, the mot. potentiometer is set to this value.
0 Ramp generator is not active in automatic mode.
Accel./decel. time =0
1 Ramp generator is always active
0 Without initial rounding
1 With initial rounding (the times set in P431 and P432 are
therefore not precise. P431 and P432 relate to a setpoint of 100 %).
Raise MOP from control
word 1 bit 13 [180.7]
Lower MOP from control
word 1 bit 14 [180.7]
MOP
(Implementation via internal
ramp generator with fixed
initial rounding)
For U953.71 = 10, P431 = 0.1 ms or
P432 = 0.1 ms is not permissible.
<1>
<1> <1>
MOP (max)
-200.0 ... 200.0 %
P421.F (100.0)
MOP (min)
-200.0 ... 200.0 %
P422.F (0.0)
KK
P429 (0)
Src Auto Setp
B
P423 (0)
Src MOP inv.
KK0057
MOP (Input)
B
P430 (0)
Src Manual/Auto
KK0058
MOP (Output)
MOP (Out)
r424
StartValue MOP
-200 ... 200.0 %
P426.F (0.0)
Conf MOP
0000 ... 0111
P425 (0110)
MOP Accel Time
0.0 ... 1000.0 s
P431.F (10.0)
MOP Decel Time
0.0 ... 1000.0 s
P432.F (10.0)
KK
P428 (0)
Src SetV MOP
B
P427 (0)
Src Set MOP
U953.71 = 3

Table of Contents

Other manuals for Siemens simovert masterdrives

Related product manuals