EasyManua.ls Logo

Sony DCR-PC101E - Overall Mechanism Deck Section (J100)

Sony DCR-PC101E
149 pages
Print Icon
To Next Page IconTo Next Page
To Next Page IconTo Next Page
To Previous Page IconTo Previous Page
To Previous Page IconTo Previous Page
Loading...
DCR-PC101/PC101E
6-7
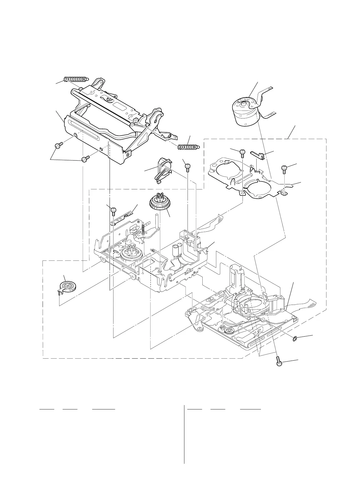
6-1-7. OVERALL MECHANISM DECK SECTION (J100)
Ref. No. Part No. Descriptions Ref. No. Part No. Description
701 3-703-816-14 SCREW (M1.4)
702 X-3952-017-3 CASSETTE COMPARTMENT ASSY
703 3-059-082-01 SPRING, TENSION
(CASSETE COMPARTMENT S)
704 3-059-208-01 SPRING (CASSETTE COMPARTMENT T)
705 X-3950-370-3 DAMPER ASSY
706 3-059-101-03 RETAINER, LS GUIDE
707 7-624-102-04 STOP RING 1.5, TYPE -E
708 A-7028-133-D MD (J100) SUB ASSY (Y)
709 3-703-816-41 SCREW (M1.4X2.5), SPECIAL HEAD
710 X-3950-364-1 GEAR ASSY, GOOSENECK
711 X-3950-366-1 TABLE ASSY, T REEL
712 3-075-097-01 SCREW (M1.4X1.4), SPECIAL HEAD
713 3-059-093-01 RETAINER, LED
714 X-3950-361-1 PLATE ASSY, RETAINER
M901 A-7048-940-A DRUM (DEH-18A-R) (SERVICE)
703
704
M901
705
706
701
709
701
708
707
701
702
711
710
714
712
712
713
LS chassis block assembly
(See page 6-8)
Mechanism chassis
block assembly
(See page 6-9)

Table of Contents

Related product manuals