EasyManua.ls Logo

Tormach PCNC 770 - Page 191

Tormach PCNC 770
230 pages
Print Icon
To Next Page IconTo Next Page
To Next Page IconTo Next Page
To Previous Page IconTo Previous Page
To Previous Page IconTo Previous Page
Loading...
Chapter 10
191
UM10350_PCNC770_Manual_0916A
Troubleshooting
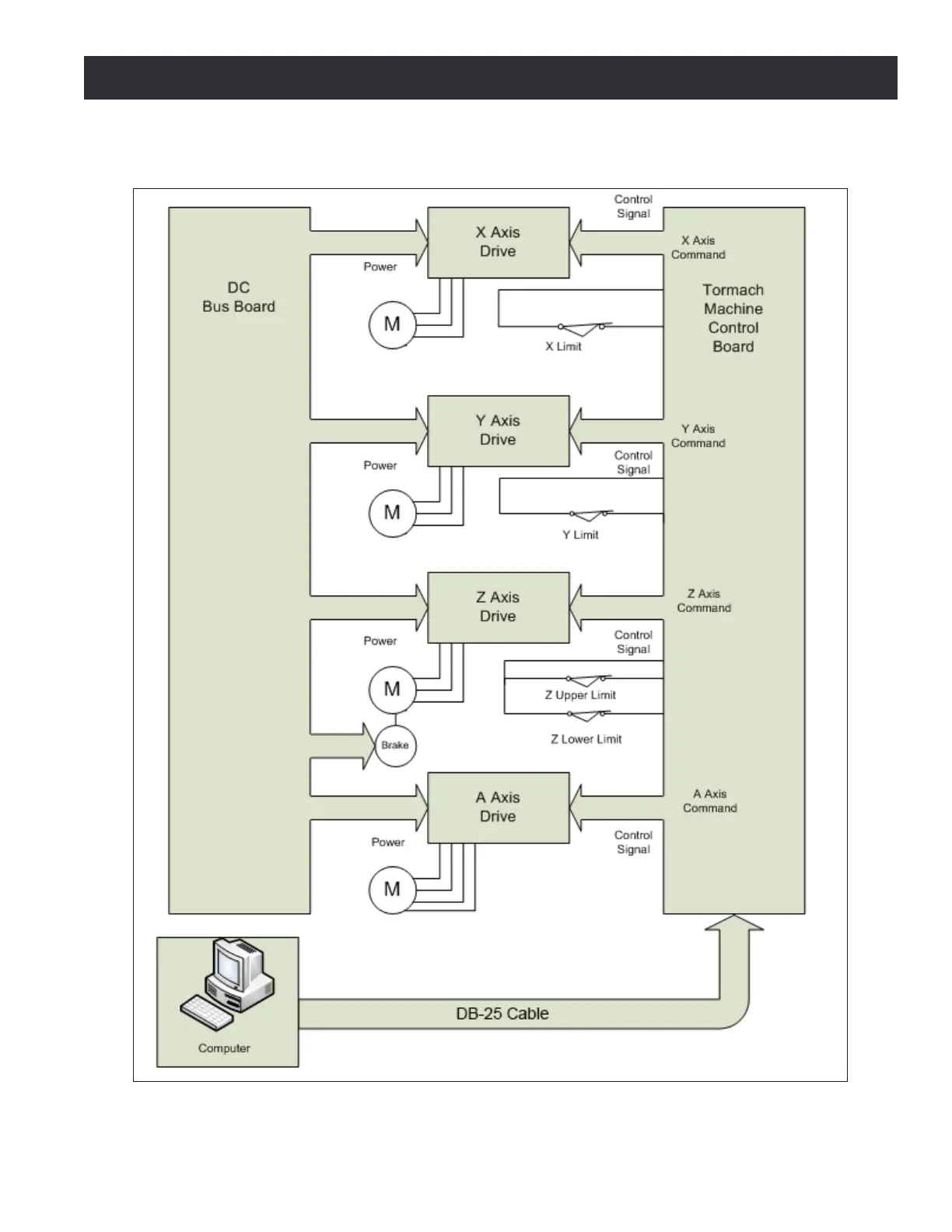
Figure 10.11

Table of Contents

Other manuals for Tormach PCNC 770

Related product manuals