EasyManua.ls Logo

tornos DECO 7/10 - Nsk Spindle; Pneumatics; Manual Lubrication

tornos DECO 7/10
170 pages
Print Icon
To Next Page IconTo Next Page
To Next Page IconTo Next Page
To Previous Page IconTo Previous Page
To Previous Page IconTo Previous Page
Loading...
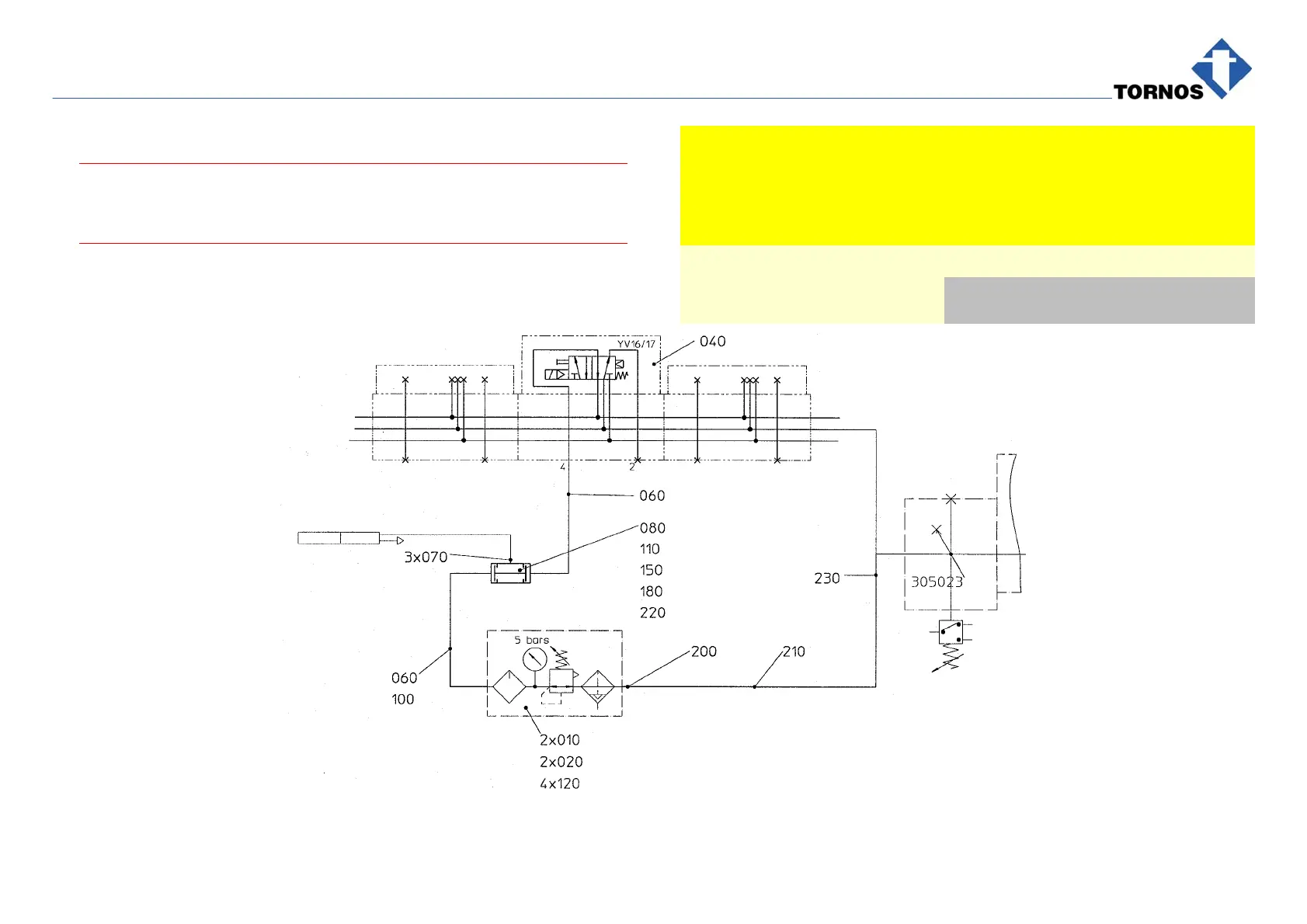
OPTIONS & ALLIED TOOLING − DECO 7/10 − DECO 7a/10a − DECO 7e/10e
300236 en − 02/07 Chap. 15.5 /6
15.4 PNEUMATICS
. Important:
Service pressure must not drop below 6 bars.
Good spindle operation requires a pressure of 5 bars.
15.5 MANUAL LUBRICATION
Grease to use: See Instructions 300231, Para. 2.1.1.
Greasing interval: Grease every 6 months or at least every 1000 hours’
operation.
Opérations Remarques
Grease through Nipple 170... ... until the grease comes out at the
sides.
NSK spindle

Table of Contents

Related product manuals