EasyManua.ls Logo

tornos DECO 7/10 - Page 118

tornos DECO 7/10
170 pages
Print Icon
To Next Page IconTo Next Page
To Next Page IconTo Next Page
To Previous Page IconTo Previous Page
To Previous Page IconTo Previous Page
Loading...
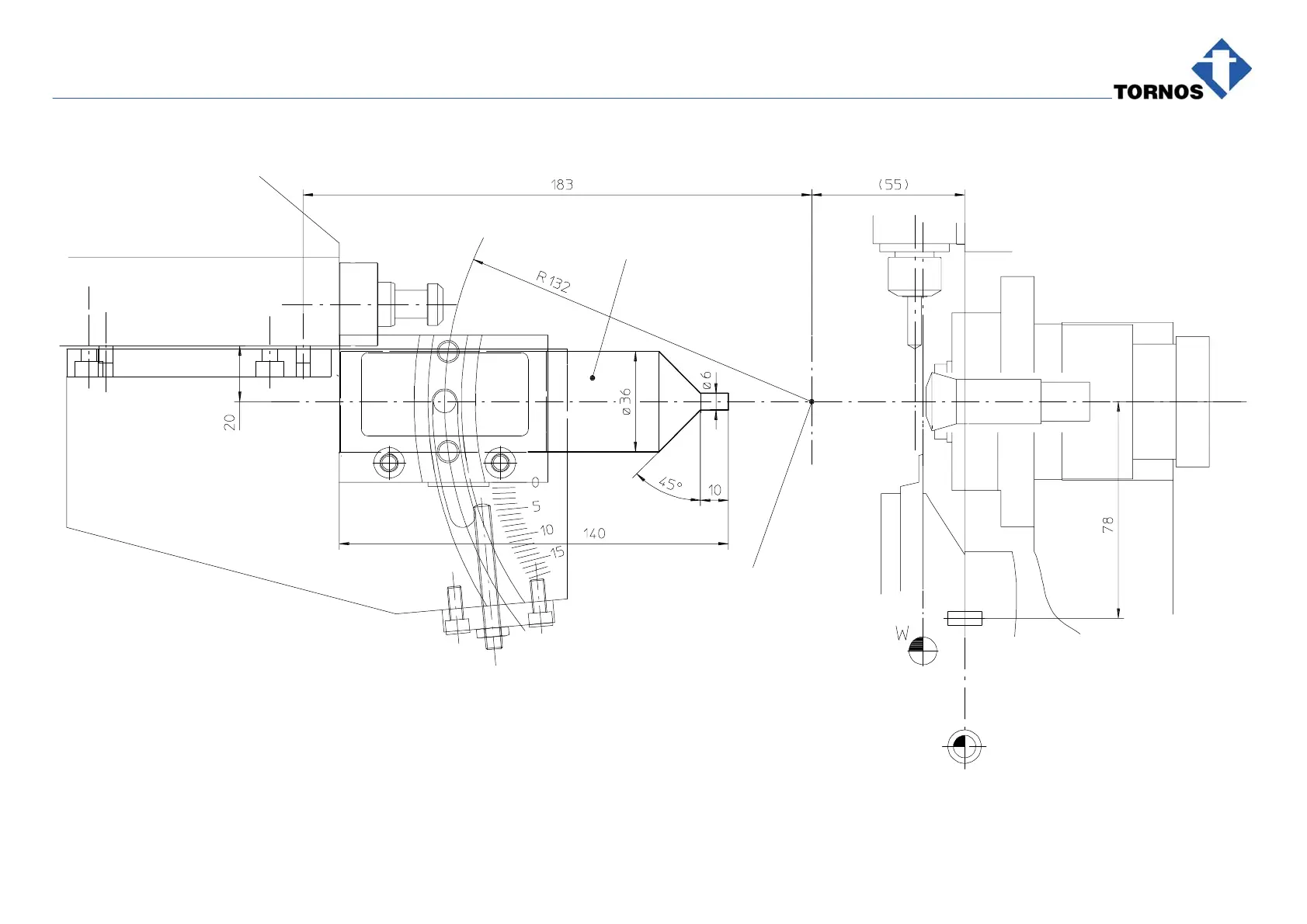
OPTIONS & ALLIED TOOLING − DECO 7/10 − DECO 7a/10a − DECO 7e/10e
300236 en − 02/07 Chap. 16.3.1 /6
Parallelism and Centering
Tasseau de centrage
Zentrierdorn
Centering arbor
Tassello di centraggio
Tarugo de centraje
No. 472048
Centre des couteaux
Messermittelpunkt
Cutter centre
Centro lame
Centro cuchillas
305115e

Table of Contents

Related product manuals