EasyManua.ls Logo

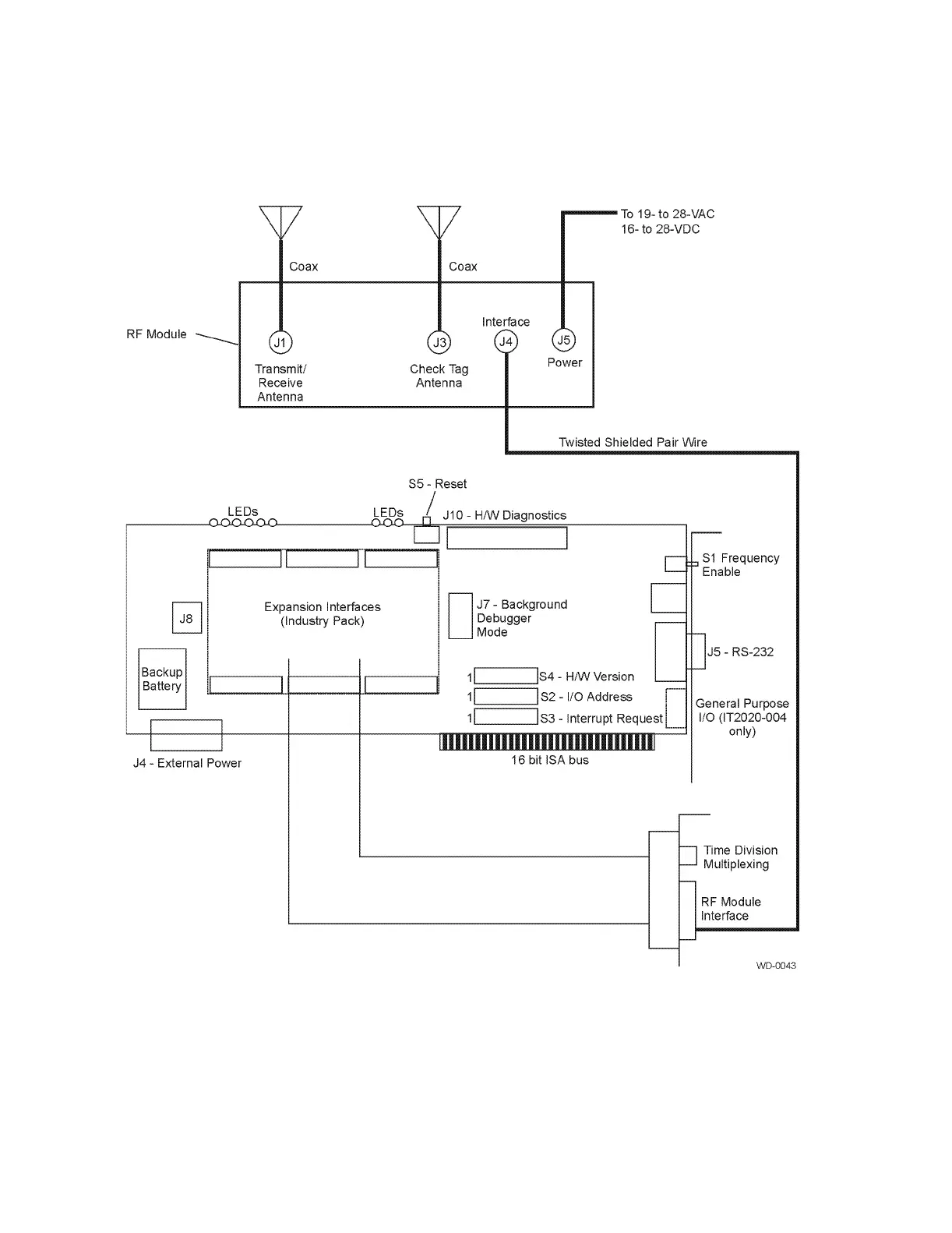
TransCore Amtech IT2200 - Figure B-6 Minimum Connections for the IT2020 Reader Logic Card Interface (Monostatic Application

Default Icon
204 pages
Print Icon
To Next Page IconTo Next Page
To Next Page IconTo Next Page
To Previous Page IconTo Previous Page
To Previous Page IconTo Previous Page
Loading...
IT2200 Reader System with Multimode Capability Installation & Maintenance/Service Guide
B-8
Figure B-6 Minimum Connections for the IT2020 Reader Logic Card Interface (Monostatic Application)

Table of Contents

Related product manuals