EasyManua.ls Logo

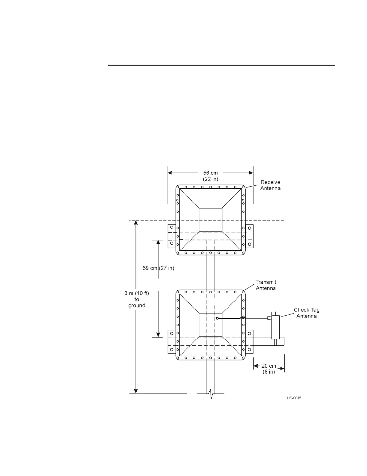
TransCore Amtech IT2200 - Laneside Pillbox Mount; Figure 4-6 Bistatic Laneside Mount

Default Icon
204 pages
Print Icon
To Next Page IconTo Next Page
To Next Page IconTo Next Page
To Previous Page IconTo Previous Page
To Previous Page IconTo Previous Page
Loading...
Installing the IT2200 Reader System
4-11
Laneside “Pillbox” Mount
The laneside mount is typically used with the AA3153 Beacon Antenna for pillbox
installations. The reader logic card is installed in the host computer. For bistatic con-
figuration, the receive antenna is mounted on a horizontal section of 5.0 to 7.6cm (2-
to 3-in) wide by 56-cm (22 in) long horizontal pipe mounted 3m (10 ft) above the
ground on a vertical pole. The transmit antenna is mounted to a horizontal section of
76cm (30-in) long pipe that is 69 cm (27 in) below the upper pipe. The check tag
antenna is mounted next to the transmit antenna. The RF module can be mounted next
to the antennas or in a sheltered location nearby. Figure 4-6 illustrates a typical bistatic
laneside mount.
Figure 4-6 Bistatic Laneside Mount

Table of Contents

Related product manuals