EasyManua.ls Logo

turck BL67 - Page 273

turck BL67
507 pages
Print Icon
To Next Page IconTo Next Page
To Next Page IconTo Next Page
To Previous Page IconTo Previous Page
To Previous Page IconTo Previous Page
Loading...
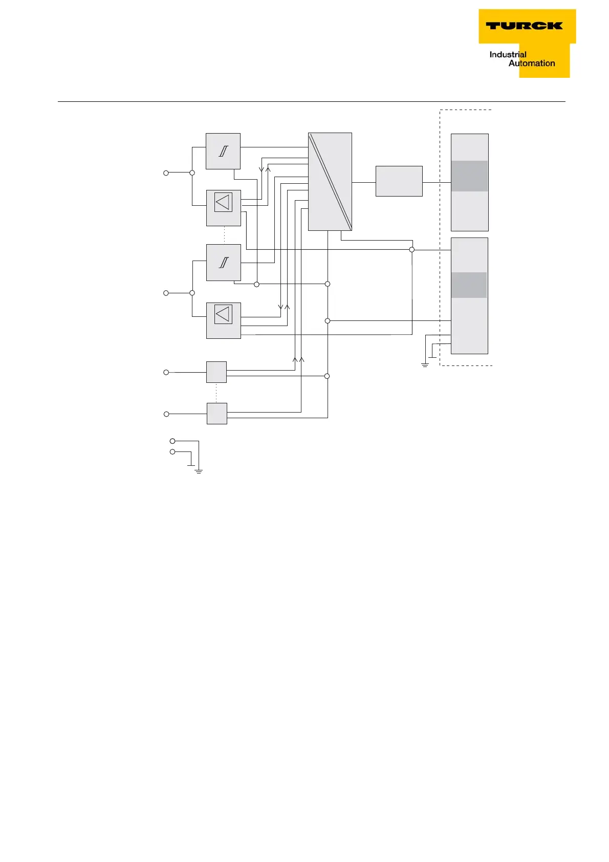
Figure 9-13:
IN/
OUT 1
IN/
OUT 8
1
V
0
V
sens
>I
>I
V
sens
A
DIA
0.5 A P
0.5 A P
V
0
V
0
V
sens
D
8
DIA
DIA
GND
PE
PE
GND
BL67-
system bus
communi-
cation bus
power
bus
module bus
interface
D300529 0115 - BL67 I/O modules
9-17
BL67-8XSG-PD
Block diagram

Table of Contents

Other manuals for turck BL67

Related product manuals