EasyManua.ls Logo

Wacker Neuson WL34 - Page 280

Wacker Neuson WL34
348 pages
Print Icon
To Next Page IconTo Next Page
To Next Page IconTo Next Page
To Previous Page IconTo Previous Page
To Previous Page IconTo Previous Page
Loading...
9-20 SHB WL34 * 2.0
9 Electrical system
Diagrams
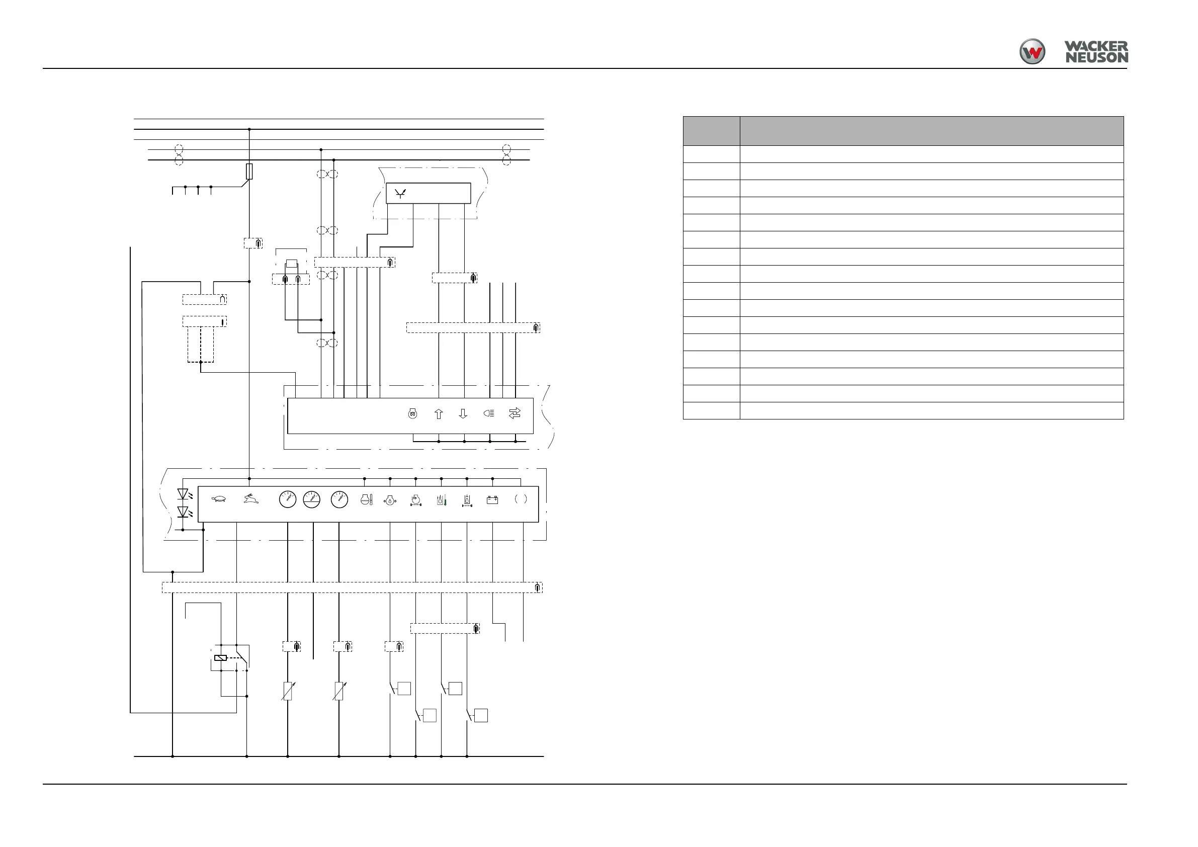
9.13 Electrical diagram – Instrument (FG03-01)
Display
X001:3/FG02-1/2/4
X001:2/FG04-1
X001:13/FG04-1
K010:C/FG6-1
F018/FG06-2
Y009:1/FG04-1
X001:11/FG02-1/3
X001:5/FG02-1/2/4
F003/FG01-2
S040:8/FG10-1/2
S019:10/FG06-1
S020:8/FG07-1
S055:8/FG05-1
15
50
15
50
31 31
3030
CAN-L
CAN-H
CAN-L
CAN-H
22
210 11 18
21
20
12 6726 8 17169 3
P
15
13 142524 23
GND
GND
R
5 
A
B
21
120
3
19
12
14
4
2
2
37
1716
7273
9
54
18
13
1
5
4
10
19
7
12
8
6
15
16
12
3
11
12
3
1
7877
H001
H002
H016
H017
H022
H052
H005
H053
H003P003P001P002 H004 H008 H007H006 H018
Instrument XA02
WH-0,75
BK-0,75
WH-0,75
BK-0,75
Instrument XA02
R017
WH-0,75
BK-0,75
X005
WH-0,75
BK-0,75
XA01
PK-0,5GY/RD
YE-0,5RD/GN
X007
B006
YE
YE-0,5
X001
GN/YE
B001
YE
YE-0,5GY/BK
X001
S002
PK
YE-0,5GY/BK
S004
BU-0,5
BU-0,5
XA01
VT/WH
GY/BU
X001
BU-0,75
BU-0,75
N004
BU-0,5YE/BU
YE/BU
BN
BN
GN-1,5
K058
BK/BN-0,5BN/WH
YE-0,5
X007
S005
WHYE
YE-0,5WHYE
S006
GY-0,5
F008
5 A
BN
BK-0,5
GY-0,5
BU-0,5
GY-0,5
YE-0,5 BK
YE-0,5WH
X029
BK-0,5 RD/WH-0,5
RD/WH-0,5
XA01
GN
RD/WH-0,5
404D-22
TD2011
404F-22
WH-0,75
WH-0,75
WH-0,75
OG/GN
WH
BK
BK
BK
BK
BK
BK
YE
f
hn
8785
3086
87A
P
P P
Assign-
ment
Designation
B001 Fuel indicator
B006 Engine temperature sensor
F008 Lighting switch, display
K058 1st/2nd speed switching relay
N004 Traction electronics
R017 Bus terminating resistance
S002 Engine oil pressure switch
S004 Pressure switch, air filter
S005 Pressure switch, hydraulic oil
S006 Temperature switch, hydraulic oil
X001 Instrument panel
X005 CAN instrument
X007 Indicator lights
X029 Coding plug engine speed
XA01 Instrument
XA02 CAN instrument

Table of Contents

Related product manuals