EasyManua.ls Logo

Wacker Neuson WL34 - Page 279

Wacker Neuson WL34
348 pages
Print Icon
To Next Page IconTo Next Page
To Next Page IconTo Next Page
To Previous Page IconTo Previous Page
To Previous Page IconTo Previous Page
Loading...
SHB WL34 * 2.0 9-19
Electrical system 9
Diagrams
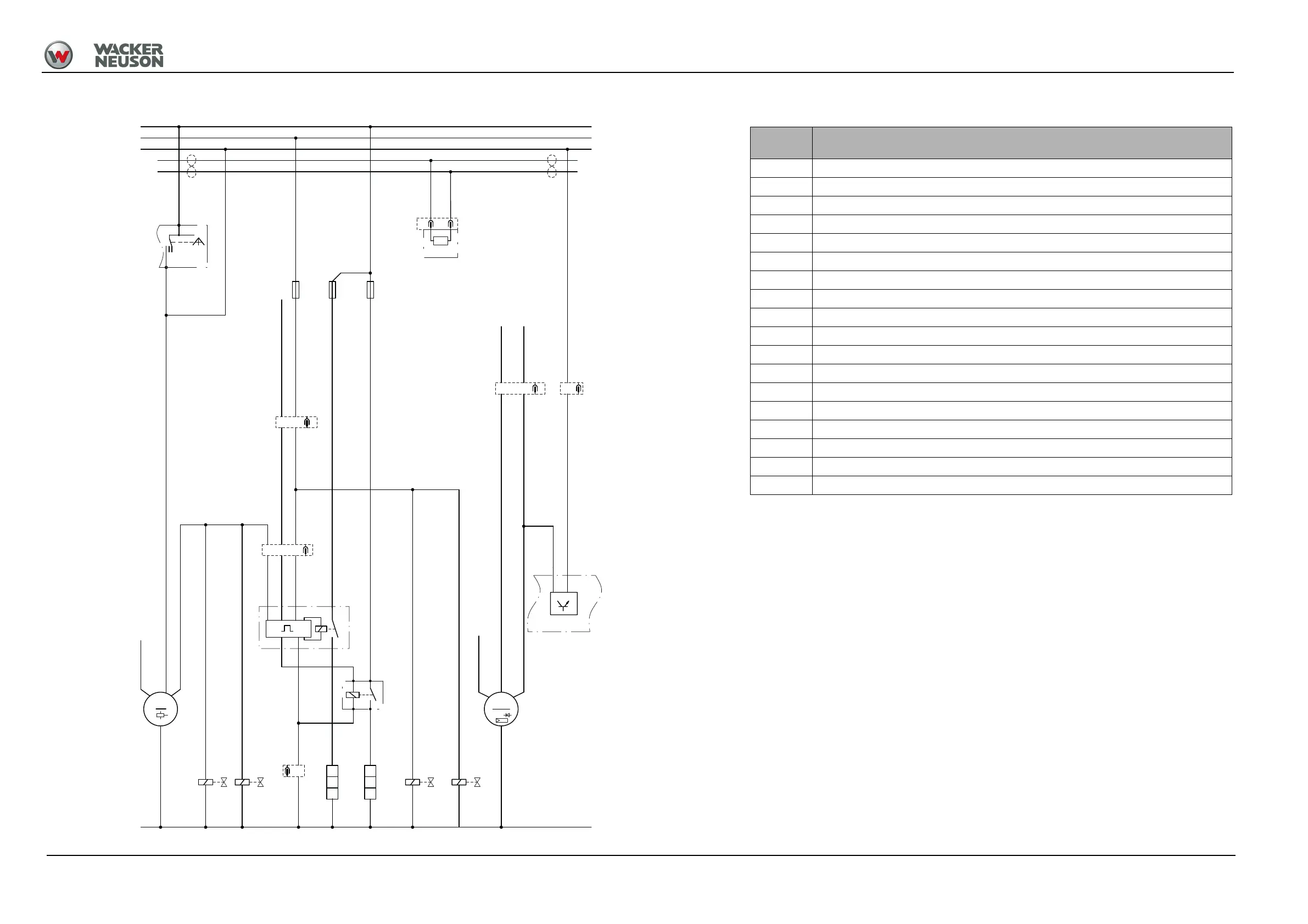
9.12 Electrical diagram – Deutz engine TD2011 (FG02-04)
S008:2/FG01-1
02
1
XA01:15/FG03-1
XA01:16/FG03-1
XA01:1/FG03-1
S008:1/FG01-1
15
50
15
50
31 31
3030
4641
30 50
30
50
1
45
L
50 30
31
H
15
2
1
2
1
1
23
6
R
11 6
B+
WD+
5
3
7
2
1
2
1
CAN-L
CAN-H
CAN-L
CAN-H
R
5 
A
B
M
G
N004
M001
BK-50
S001
RD-10
OG-2,5
K006
Y136 Y079
PK-2,5
PK
PK
PK
X054
K005
OG
WH
RD/WH
RD/WH-6
R001
RD/WH-6
R001
X054
BK-1,5BK-1,5
BK
BK
WH
X001
RD/WH RD/WH-2,5
PK
GN-2,5
F015
15 A
F305
50 A
F304
50 A
G001
RD-6
RD-6
RD-16
PK
PK-0,75
PK
X001
PK
X002
OG YE/BK
GY/RD
WH
Y001
BK-1,5
RD/WH-1,5
Y030
BK
RD/WH
WH
BK
R018
BK
BK
8785
3086
3~
Assign-
ment
Designation
F015 Cold-start help, stopping magnet, preheating system
F304 Engine electronics
F305 Preheating system
G001 Generator
K005 High current relay, preheating
K006 Preheating relay
M001 Starter
N004 Traction electronics
R001 Glow plug
R018 Bus terminating resistance
S001 Preheating start switch
X001 Instrument panel
X002 Instrument panel
X054 Preheating system
Y001 Cutoff solenoid
Y030 Solenoid valve cold start
Y079 Minus compensation solenoid valve
Y136 Solenoid valve boost-pressure dependent full-load stop (LDA)

Table of Contents

Related product manuals