EasyManua.ls Logo

Wacker Neuson WL34 - Page 278

Wacker Neuson WL34
348 pages
Print Icon
To Next Page IconTo Next Page
To Next Page IconTo Next Page
To Previous Page IconTo Previous Page
To Previous Page IconTo Previous Page
Loading...
9-18 SHB WL34 * 2.0
9 Electrical system
Diagrams
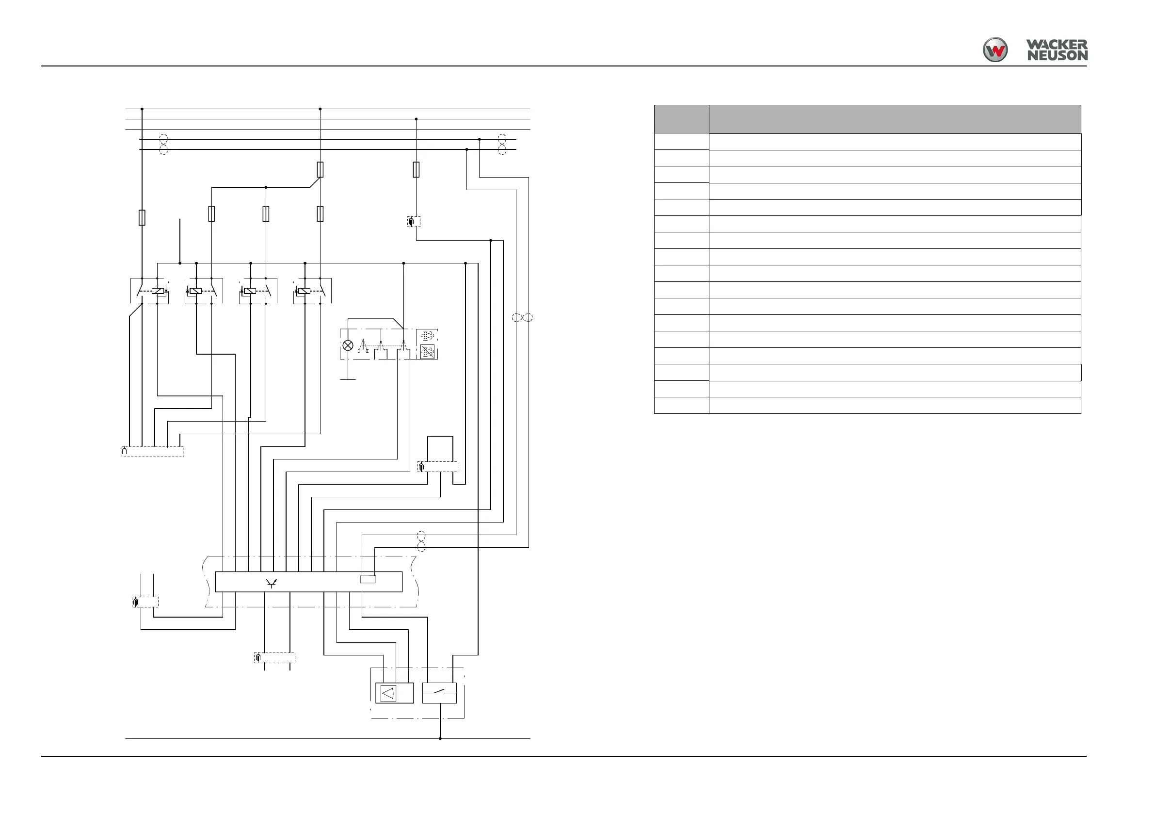
9.11 Electrical diagram – Perkins engine 404F-22 (FG02-03)
F036:8/FG02-2
XA01:14/FG3-1
XA01:15/FG3-1
B113:4/FG04-2
B113:3/FG04-2
15
50
15
50
31 31
3030
CAN-L
CAN-H
CAN-L
CAN-H
45632
32 34
6651
74 54 5324 1131
9
10
17
28
43
0
BC E
F
D
A
46 50 1447
34 1
78
411
16 36
R
R=120 Ohm
13 33
6
AC
K006 K090
F305
50 A
RD-6
K088K089
F306
60 A
F029
15 A
F030
7.5 A
F031
7.5 A
RD-4
RD-4
RD-1,5
RD-1,5
RD-2,5
RD/WHRD/WH RD/WH
RD/WH
XM01
N005
RD/WH-1,5
RD/WH-1,5
WH-0,75
WH-1,5
WH-0,75
WH-0,75
OR-1,5
WH-0,75
OR-1,5
S119
RD/WH
RD/WH
RD/WH
BK
RD/WH-0,75
RD/WH-0,75
B054
RD/WH
BK
YE/BN-0,75
YE-0,75
YE/WH-0,75
YE-0,75
X010
RD/WH-0,75
RD/WH
YE-0,75
WH-0,75
X001
PK-0,75
PK-0,75
BK-0,75
WH-0,75
F006
15 A
X002
RD/WH-0,75
RD/WH-0,75
RD/WH-1,5
GN-1,5
S079
YE/WH-0,75
YE/BN-0,75
87 85
30 86
8785
3086
8785
3086
8785
3086
Assign-
ment
Designation
B054 Accelerator pedal
F006 ECU N001
F029 Preheating system
F030 Fuel pump
F031 Burner air pump
F305 Preheating system
F306 Engine relay
K006 Preheating relay
K088 Fuel pump switching relay
K089 DPF pump switching relay
K090 DPF glow plug switching relay
N005 Diesel engine electronics
S079 Manual throttle
S119 Diesel particulate filter regeneration
X010 Engine stop
X054 Voltage divider
XM01 Engine

Table of Contents

Related product manuals