EasyManua.ls Logo

Wacker Neuson WL34 - Page 285

Wacker Neuson WL34
348 pages
Print Icon
To Next Page IconTo Next Page
To Next Page IconTo Next Page
To Previous Page IconTo Previous Page
To Previous Page IconTo Previous Page
Loading...
SHB WL34 * 2.0 9-25
Electrical system 9
Diagrams
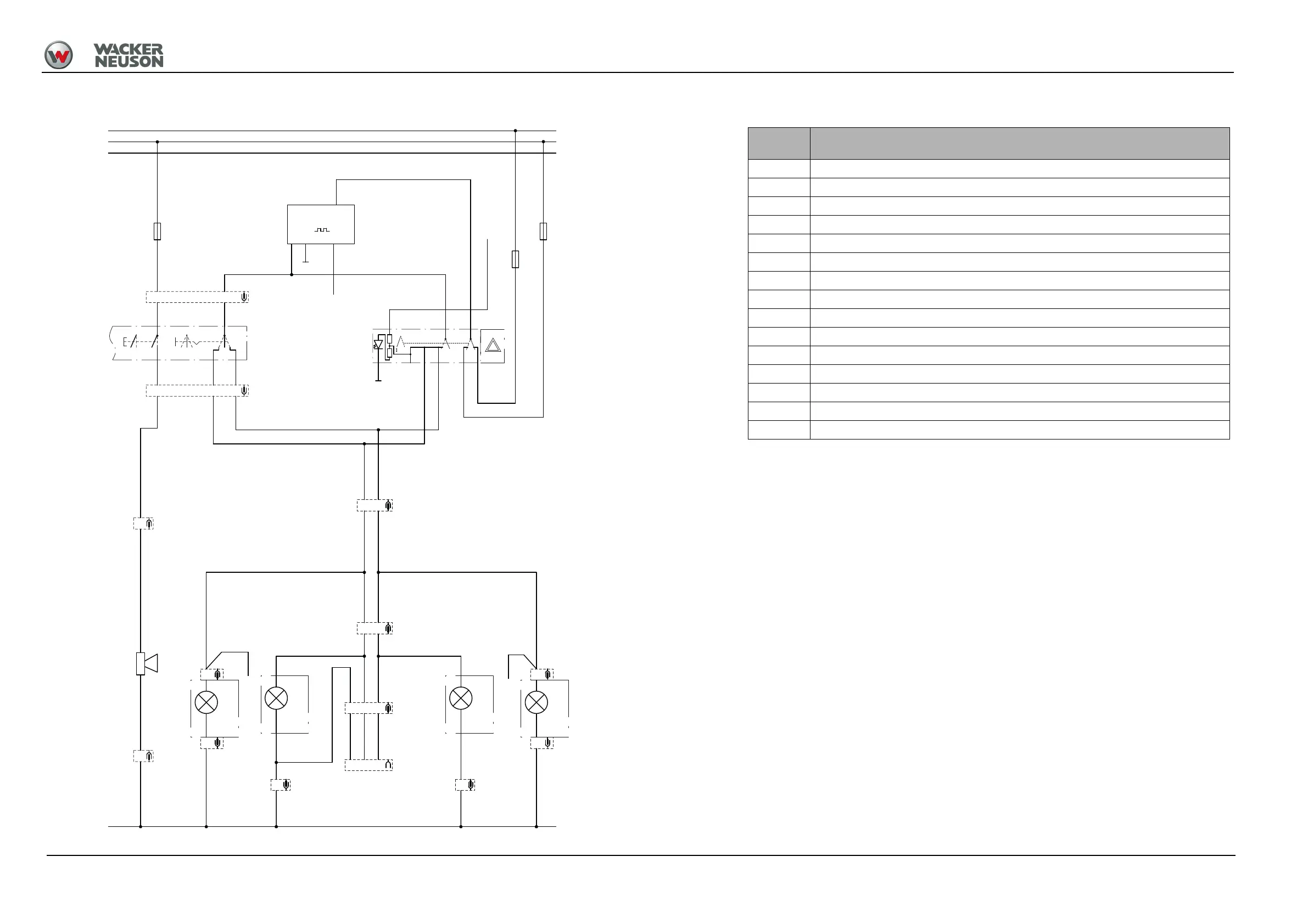
9.18 Electrical diagram – Light StVZO (German traffic regulations) (front headlight) (FG06-02)
XA01:10/FG03-1
XX04:1/FG06-3
XX04:5/FG06-3
F008/FG03-1
15
50
15
50
31 31
3030
49a
LR
1-0-20-1
3
610
52
1
2
49a 31
49
C2
C
52
0
697
1
3
10
8
5
4
6
3
5
6
5
6
26
4
13
4
13
G
S012
XL01
XL01
F002
10 A
GN-1,5
BN-1,5
VT/BK-1,5
B002a
VT-1,5
B002
B002a
BK-1,5
K010
S019
WH/BK-1,5 WH/BK-1,5
WH/RD-1,5
GN
X003
WH/BK-1,5 WH/BK-1,5
WH/BK-1,5
GN/BK-1,5 GN/BK-1,5
GN/BK-1,5
WH/BK-1,5
GN/BK-1,5
X035
WH/BK-1,5
GN/BK-1,5
H026
21 W
H024
21 W
H027
21 W
H025
21 W
WH/BK-1,5 GN/BK-1,5
GY GY
X035 X035
BK-1,5
BK-1,5
BN-1,5
BN-1,5
GY
GY
X037
GY
GY
BK-1,5
GY
GY
BK-1,5
XX05
F012
15 A
F001
15 A
GN-1,5
RD-1,5
OG/GN
BN-1,5
BN-1,5
GY-1,5
GY-1,5
Assign-
ment
Designation
B002 Horn
F001 Turn indicators
F002 Horn, rotating beacon
F012 Hazard warning system, 12 V power outlet
H024 Front right turn indicator
H025 Rear right turn indicator
H026 Front left turn indicator
H027 Rear left turn indicator
K010 Turn indicator relay
S012 Steering-column control lever
S019 Hazard lights switch
X035 Rear indicator light
X037 Trailer socket
XL01 Steering-column control lever
XX05 Trailer socket

Table of Contents

Related product manuals