EasyManua.ls Logo

Wacker Neuson WL34 - Page 290

Wacker Neuson WL34
348 pages
Print Icon
To Next Page IconTo Next Page
To Next Page IconTo Next Page
To Previous Page IconTo Previous Page
To Previous Page IconTo Previous Page
Loading...
9-30 SHB WL34 * 2.0
9 Electrical system
Diagrams
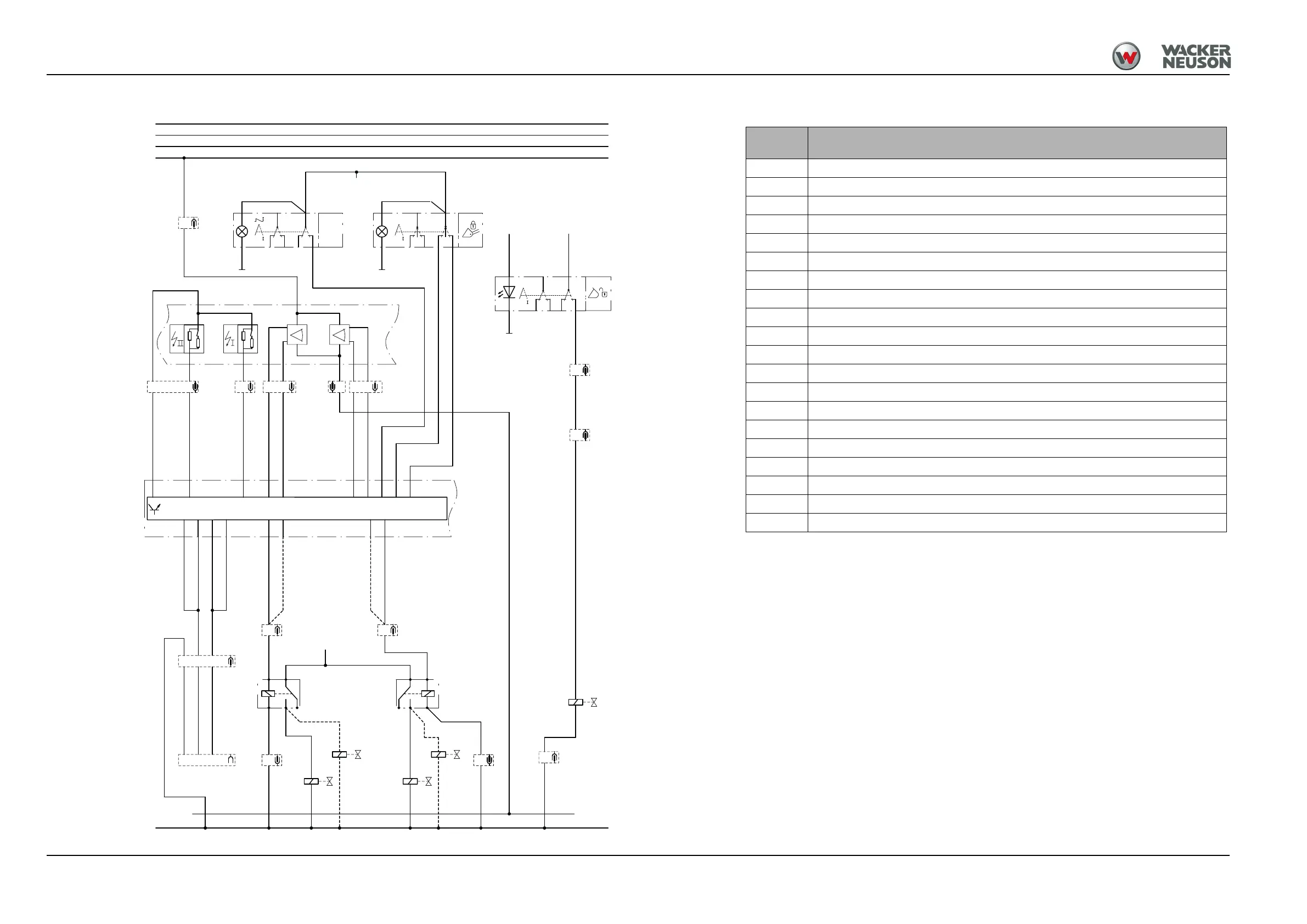
9.23 Electrical diagram – Hydraulic control circuits, E-connection 12 V (FG10-01)
F026:6/FG01-2
F007/FG06-3
F008/FG03-1
F028/FG09-1
15
50
15
50
31 31
3030
5 V5 V
6053
2513
38
31
82 15/30
8
34
33 3435 36
24 12
1
Sensor GND Sensor GND
4
2
14342
10
1
2
1
76
2
1
2
1
8
63 56
7
8
1
3
46
52
0
10
5
2
1
5
9
10
7182
65
0
9
10
827
1
56
0
0
1
2
2
1
1
2
3769
BK-1,5
Joystick
S110 S109
B074
N004
XX02
X064
BK-1,5
GN-1,5
GN-1,5
GN-1,5
GN-1,5
GN-0,75
GN-0,75
GN-0,75
GN-0,75
YE-0,75
YE-0,75
B041
XJ01
YE-0,75
YE-0,75
YE/BN-0,75
YE/WH-0,75
XJ04
YE-0,75
YE-0,75
XJ02
YE/BN-0,75
Y033
Y034
Y023
Y024
GN-0,75BK
BK
RD/WH
RD/WH
BK
GN-0,75
S040
GN-1,5
BK
GN
PK/BK-1,5
X002
X064
GN-1,5GN-1,5
Y025
BK
X064
BK
RD/WH
RD/WH
GN-0,75
GN-0,75
BK
XJ02 XJ04 XJ01
S111
AUX
S033
K020
Y033
Y033
GNBK
GN-0,75
Y023
Y023
Y034
GN
Y024
BK
BK
GN
GN
GN
K019
BK
Y034
Y024
GN
BK
GN-0,75
GN-0,75
RD/WH RD/WH
8785
3086
87A 87 85
30 86
87A
Assign-
ment
Designation
B041 3rd control circuit scroll wheel
B074 Scroll wheel additional control circuit
K019 Extend telescopic boom, 3rd/4th control circuit
K020 Retract the 3rd/4th control circuit
N004 Traction electronics
S033 Continuous function 3rd control circuit (AUX)
S040 Quickhitch lock push button
S110 Push button for electrical connection 2 on control lever
S111 Switch for loader unit lock
X002 Instrument panel
X064 Interface options loading rocker/telescopic boom
XJ01 Joystick
XJ02 Joystick
XJ04 Joystick
XX02 Front 12 V socket
Y023 Solenoid valve retract telescopic boom/4th control circuit
Y024 Solenoid valve extend telescopic boom/4th control circuit
Y025 Quickhitch lock solenoid valve
Y033 Additional control circuit solenoid valve
Y034 Additional control circuit solenoid valve

Table of Contents

Related product manuals