EasyManua.ls Logo

Yamaha FJR1300A - Adjusting the Final Gear Backlash

Yamaha FJR1300A
586 pages
Print Icon
To Next Page IconTo Next Page
To Next Page IconTo Next Page
To Previous Page IconTo Previous Page
To Previous Page IconTo Previous Page
Loading...
SHAFT DRIVE
4-93
▼▼▼▼▼ ▼▼▼▼▼ ▼▼▼ ▼▼▼ ▼▼▼
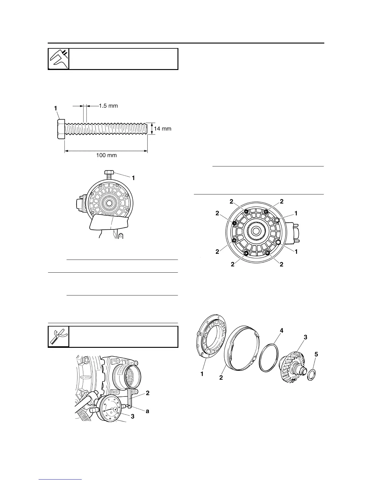
a. Install a bolt “1 of the specified size, into the
final gear oil drain hole.
b. Finger tighten the bolt until it stops the ring
gear from moving.
NOTE:
Do not overtighten the bolt.
c. Install the final gear backlash band “2” and
dial gauge “3”.
NOTE:
Make sure that the dial gauge plunger contacts
the groove “a” in the final gear backlash band as
shown in the illustration.
d. Gently rotate the coupling gear from engage-
ment to engagement.
e. Record the reading on the dial gauge.
f. Remove the dial gauge, final gear backlash
band, and bolt.
g. Rotate the final drive pinion gear 90°.
h. Reinstall the bolt, final gear backlash band,
and dial gauge.
i. Repeat steps (d) to (h) three more times (for
a total of four measurements).
j. If any of the readings are over specification,
adjust the final gear backlash.
▲▲▲▲▲ ▲▲▲ ▲▲▲ ▲▲▲ ▲▲▲ ▲▲▲
EAS23590
ADJUSTING THE FINAL GEAR BACKLASH
1. Remove:
Ring gear bearing housing bolts “1”
Ring gear bearing housing nuts “2”
NOTE:
Working in a crisscross pattern, loosen each bolt
and nut 1/4 of a turn. After all of the bolts and
nuts are fully loosened, remove them.
2. Remove:
Ring gear bearing housing “1”
Dust cover “2”
Ring gear “3”
Ring gear shim(s) “4”
Thrust washer “5”
3. Adjust:
Final gear backlash
▼▼▼▼▼ ▼▼▼ ▼▼▼ ▼▼▼ ▼▼▼ ▼▼▼
a. Select the suitable shim(s) and thrust washer
with the following chart.
Final gear backlash
0.220.45 mm (0.00870.0177 in)
Final gear backlash band
90890-01511
Manuals by Motomatrix / www.motomatrix.co.uk / The Solution For Lost Motorcycle Coded Keys
email: info@motomatrix.co.uk

Table of Contents

Other manuals for Yamaha FJR1300A

Related product manuals